產品中心 PRODUCTS LIST
真空泵系列
您當前位置:網站首頁 >> 產品中心 >> 真空泵系列 >> SKA系列水環式真空泵
SKA系列水環式真空泵
1、機泵同軸式直聯設計,節省空間,易于安裝。
2、 采用機械密封作為標準配置,消除了泄露,維護簡便。
3、 運行平穩,噪音可低至62分貝
4、統一的耐腐蝕設計,青銅葉輪提高了泵的耐腐蝕性,不銹鋼材質則更適用于更為苛刻的應用
5、 獨特的柔性排氣口設計,不會產生過壓縮,確保了SKA在其性能范圍內效率佳。
目錄
SKA系列水環式真空泵概述
SKA系列真空泵適于抽除氣體和水蒸汽,吸氣壓力達到33mbar絕壓(97%真空度),當真空泵在吸氣壓力低于80mbar的狀態下長期工作時,應聯接氣蝕保護管以對泵進行保護,如配大氣噴射器,吸氣壓力可達10mbar,噴射器可直接安裝在真空泵上,作為壓縮機用時,其壓力大至0.26MPa(絕壓)。
水環真空泵及壓縮機被廣泛用于石油化工、制藥、食品、制糖工業等領域,由于在工作過程中,氣體的壓縮過程是等溫的,所以在壓縮和抽吸易燃易爆氣體時,不易發生危險,其應用更加廣泛。
SKA系列水環式真空泵結構及特點
△ 機泵同軸式直聯設計,節省空間,易于安裝。
△ 采用機械密封作為標準配置,消除了泄露,維護簡便。
△ 運行平穩,噪音可低至62分貝
△ 統一的耐腐蝕設計,青銅葉輪提高了泵的耐腐蝕性,不銹鋼材質則更適用于更為苛刻的應用
△ 獨特的柔性排氣口設計,不會產生過壓縮,確保了SKA在其性能范圍內效率佳。
SKA系列水環式真空泵技術參數
| 曲線編號 | 型號 | 大氣量(m3/min) | 極限真空(MPa) |
電機功率 (kw) |
泵轉速(R.P.m) | 工作液流量(L/min) |
噪音 (A) |
重量 (kg) |
| 60V | SKA20.60 | 0.45 | 0.097 | 0.81 | 2880 | 2 | 62 | 37 |
| 61V | SKA20.61 | 0.86 | 0.097 | 1.45 | 2880 | 2 | 65 | 41 |
| 70V | SKA20.70 | 1.33 | 0.097 | 2.35 | 2850 | 2.5 | 66 | 66 |
| 71V | SKA20.71 | 1.83 | 0.097 | 3.85 | 2860 | 4.2 | 72 | 85 |
| 110V | SKA5110 | 2.75 | 0.097 | 4 | 1450 | 6.7 | 63 | 120 |
| 111V | SKA5111 | 3.83 | 0.097 | 5.5 | 1450 | 8.3 | 68 | 150 |
| 121V | SKA5121 | 4.66 | 0.097 | 7.5 | 1450 | 10 | 69 | 210 |
| 131V | SKA5131 | 6.66 | 0.097 | 11 | 1430 | 15 | 73 | 280 |
| 161V | SKA5161 | 8.33 | 0.097 | 15 | 970 | 20 | 74 | 390 |
| 110V | SKA6110 | 2.75 | 0.097 | 4 | 1450 | 6.7 | 63 | |
| 111V | SKA6111 | 3.83 | 0.097 | 5.5 | 1450 | 8.3 | 68 | |
| 121V | SKA6121 | 4.66 | 0.097 | 7.5 | 1450 | 10 | 69 | |
| 131V | SKA6131 | 6.66 | 0.097 | 11 | 1430 | 15 | 73 | |
| 161V | SKA6161 | 8.33 | 0.097 | 15 | 970 | 20 | 74 |
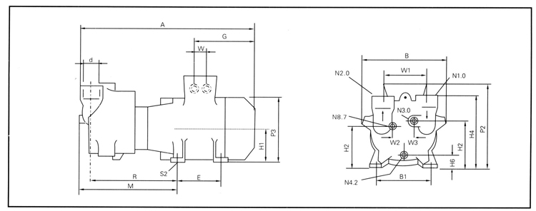
SKA系列水環式真空泵外形尺寸
| 型號 | 曲線編號 | A | B | B1 | E | H1 | H2 | H3 | H4 | H6 | M | P2 | P3 |
| SKA2-060 | 60V | 455 | 186 | 140 | 100 | 90 | 118 | 126 | 195 | 37.5 | 244 | 250 | 180 |
| SKA2-061 | 61V | 476 | 186 | 140 | 100 | 90 | 118 | 195 | 195 | 37.5 | 263 | 250 | 180 |
| SKA2-070 | 70V | 545 | 223 | 160 | 140 | 222 | 100 | 128 | 222 | 33 | 280 | 270 | 203 |
| SKA2-071 | 71V | 566 | 223 | 234 | 190 | 140 | 112 | 140 | 234 | 45 | 309 | 300 | 225 |
| 型號 | 曲線編號 | R | S2 | W1 | W2 | W3 | d | N3.0 | N4.2 | N8.7 |
| SKA2-060 | 60V | 217 | φ10 | 110 | 25.5 | 21 | G1 | G3/877 | G1/4" | G3/8" |
| SKA2-061 | 61V | 236 | φ10 | 110 | 25.5 | 21 | G1 | G3/877 | G1/4" | G3/8" |
| SKA2-070 | 70V | 252 | φ12 | 110 | 33 | 27 | G11/2" | G3/877 | G1/4" | G3/8" |
| SKA2-071 | 71V | 278 | φ12 | 110 | 33 | 27 | G11/2" | G3/877 | G1/4" | G3/8" |
SKA5外形尺寸圖
| 型號 | 曲線編號 | A | B | B1 | B2 | C1 | C2 | H1 | H2 | H3 | H4 | H5 | H6 | H7 | K | L |
| SKA5110-OKC | 101V | 637 | 325 | 255 | 190 | 41 | 26 | 140 | 156 | 202 | 361 | 328 | 38 | 57 | 342 | 130 |
| SKA5111-0KC | 111V | 672 | 325 | 265 | 216 | 38 | 26 | 150 | 166 | 212 | 371 | 363 | 48 | 68 | 348 | 130 |
| SKA5121-OKC | 121V | 771 | 347 | 265 | 216 | 36 | 26 | 150 | 167 | 217 | 385 | 363 | 39 | 60 | 430 | 147 |
| SKA5131-OKC | 131V | 852 | 377 | 300 | 254 | 35 | 30 | 175 | 194 | 249 | 427 | 435 | 53 | 76 | 477.5 | 147 |
| SKA5161-0KC | 161V | 1044 | 479 | 370 | 389 | 52 | 30 | 210 | 225 | 303 | 521 | 485 | 51 | 80 | 570 | 201 |
| 型號 | 曲線編號 | F | N | S1 | S92 | T | d1 | d2 | d3 | d4 | d5 |
| SKA5110-0KC… | 101V | 464 | 92 | φ12X23 | φ12 | 340 | 19 | 160 | 123 | 97 | 52 |
| SKA5111-OKC… | 111V | 500 | 92 | φ12X23 | φ12 | 340 | 19 | 160 | 123 | 97 | 52 |
| SKA5121-0KC… | 121V | 584 | 97 | φ12X23 | φ12 | 382 | 19 | 182 | 142 | 113 | 66.5 |
| SKA5131-OKC… | 131V | 658,5 | 103 | φ12X23 | φ14 | 382 | 19 | 182 | 142 | 113 | 66.5 |
| SKA5161-OKC… | 161V | 808 | 138 | φ15×27 | φ14 | 450 | 22 | 200 | 156 | 130 | 80 |
| 型號 | 曲線編號 | W1 | W2 | W3 | "d(N1.0,N2.0)" | N3.0 | N4.2 | N8.7 |
| SKA5110-OKC… | 101V | 180 | 52 | 27 | "DN50/2" | G3/4" (絲長24) | G3/8" (絲長25) | G3/8" (絲長11) |
| SKA5111-OKC… | 111V | 180 | 52 | 27 | "DN50/2" | G3/4"(絲長24) | G3/8" (絲長25) | G3/8" (絲長11) |
| SKA5121-OKC… | 121V | 200 | 57 | 29 | "DN65/21/2" | G3/4" (絲長24) | G3/8" (絲長25) | G3/8" (絲長11) |
| SKA5131-OKC… | 131V | 200 | 62.5 | 32 | "DN65/21/2" | G3/4" (絲長24) | G3/8"(絲長25) | G3/8" (絲長11) |
| SKA5161-OKC… | 161V | 250 | 81 | 41 | "DN80/3" | G3/4" (絲長24) | G3/8" (絲長25) | G3/8" (絲長11) |
相關文章











