
ISWH防爆化工不銹鋼管道泵|臥式化工泵
運行平穩:泵軸的絕對同心度及葉輪優異的動靜平衡,保證平穩運行,絕無振動。
滴水不漏:不同材質的硬質合金密封,保證了不同介質輸送均無泄漏。
噪音低:兩個低噪音軸承支撐下的水泵,運轉平穩,除電機微弱聲響,基本無噪音。
故障率低:結構簡單合理,關鍵部分采用國際一流品質;配套,整機無故障工作時間大大提高。
維修方便:更換密封、軸承,簡易方便。
占地更省:出口可向左、向右、向上三個方向,便于管道布置安裝,節省空間。
目錄
產品概述
ISWH臥式單級單吸化工泵,是在ISW基礎上派聲生出適用耐腐蝕性化工泵。該系列泵性能優、可靠性高、壽命長、結構合理、外形美觀,具有行業領先水平。
產品用途
ISWH臥式單級單吸化工泵,供輸送不含固體顆粒,具有腐蝕性,粘度類似于水的液體,適用于石油、化工、冶金、電力、造紙、食品制藥和合成纖維等部門,使用溫度為-20℃~+105℃。
工作條件
1、吸入壓力≤1.6MPa,或泵系統高工作壓力 ≤1.6MPa,即泵吸入口壓力+泵揚程≤1.6MPa、泵靜壓試驗壓力為2.5MPa,訂貨時請注明系統工作壓力。泵系統工作壓力大于1.6MPa時應 在訂貨時另行提出,以便在制造時泵的過流部分和聯接部分采用鑄鋼材料。
2、環境溫度<40℃,相對濕度<95%。
3、所輸送介質中固體顆粒體積含量不超過單位體積的0.1%,粒度<0.2mm。
注:如使用介質為帶有細小顆粒,請在訂貨時注明,以便廠家采用耐磨式機械密封。
產品特點
運行平穩:泵軸的絕對同心度及葉輪優異的動靜平衡,保證平穩運行,絕無振動。
滴水不漏:不同材質的硬質合金密封,保證了不同介質輸送均無泄漏。
噪音低:兩個低噪音軸承支撐下的水泵,運轉平穩,除電機微弱聲響,基本無噪音。
故障率低:結構簡單合理,關鍵部分采用國際一流品質;配套,整機無故障工作時間大大提高。
維修方便:更換密封、軸承,簡易方便。
占地更省:出口可向左、向右、向上三個方向,便于管道布置安裝,節省空間。
臥式不銹鋼管道泵.采用先進的水力模型,根據IS型離心泵之性能參數和立式泵的獨特結構組合設計,并嚴格按照國際iso2858進行設計制造,該產品軸封選用硬質合金機械密封裝置,具有高效節能、性能可靠、安裝使用方便等特點。
ISW臥式管道泵主要用途
1、isw臥式清水泵,供輸送清水及物理化學性質類似于清水的其它液體之用,適用于工業和城市給排水、高層建筑增壓送水、園林噴灌、消防增壓、遠距離輸送、暖通制冷循環、浴室等冷暖水循環增壓
及設備配套,使用溫度t≤80℃。
2、iswr臥式熱水泵廣泛適用于:冶金、化工、紡織、造紙以及賓館飯店等鍋爐熱水增壓循環輸送及城市采暖系統,iswr型使用溫度t≤120℃。
3、ISWH型臥式不銹鋼管道泵,供輸送不含固體顆粒,具有腐蝕性、粘度類似于水的液體,適用于石油、化工、冶金、電力、造紙、食品制藥和合成纖維等部門,使用溫度為-20℃~+120℃。
4、iswb臥式管道油泵,供輸送汽油、煤油、柴油等油類產品或易燃、易爆液體,被輸送介質溫度為-20~ +120℃。
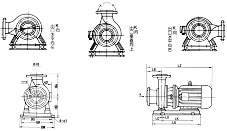
臥式不銹鋼管道泵結構簡圖
|
|
1 |
吸入室:采用優秀水力模型設計而成。 |
|
2 |
葉 輪:采用優秀水力模型設計而成,高效節能。 |
|
|
3 |
泵 體:采用優秀水力模型設計而成。 |
|
|
4 |
取壓塞:安裝壓力表及真空表,以監控泵的正常高效運行。 |
|
|
5 |
放氣塞:確保泵的正常維護。 |
|
|
6 |
機械密封:采用不銹鋼、硬質合金、氟橡膠等材料制成,耐用消費品磨損,無泄漏,運行壽命長。 |
|
|
7 |
泵 蓋: |
|
|
8 |
泵 軸:為電機加長軸,確保了軸的同心,使運行平穩,無噪音和振動現象。 |
|
|
9 |
擋水圈:防止因密封漏水而使電機進水。 |
|
|
10 |
Y系列電動機:直接與水泵聯接傳遞動力,部分采用上海名牌電機。 |
臥式管道泵型號意義
臥式不銹鋼管道泵起動前的準備
1、試驗電機轉向是否正確,從電機頂部往泵看為順時針旋轉,試驗時間要短,以免使機械密封干磨損。
2、打開排氣閥使液體充滿整個泵體,待滿后關閉排氣閥。
3、檢查各部位是否正常。
4、用手盤動泵以使潤滑液進入機械密封端面。
5、高溫型應先進行預熱,升溫速度50℃/小時,以保證各部受熱均勻。
起動
1、全開進口閥門。
2、關閉吐出管路閥門。
3、起動電機,觀察泵運行是否正確。
4、調節出口閥門開度以所需工況,如用戶在泵出口處裝有流量表或壓力表,應通過調節出口閥門開度使泵在性能參數表所列的額定點上運轉,如用戶在泵出口處裝有流量表或壓力表,應通過調節出口閥門開度,測量泵的電機電流,使電機在額定電流內運行,否則將造成泵超負荷運行(即大電流運行)至使電機燒壞。調正好的出口閥門開啟大與小和管道工況有關。
5、檢查軸封泄漏情況,正常時機械密封泄漏應小于3滴/分。
6、檢查電機、軸承處溫升≤70℃。
停車
1、高溫型先降溫,降溫速度<10℃/分,把溫度降低到80℃以下,才能停車。
2、關閉吐出管路閥門。
3、停止電機。
4、關閉進口閥門。
5、如長期停車,應將泵內液體放盡。
臥式不銹鋼管道泵安裝方式
臥式不銹鋼管道泵特別說明
7.5kw以下水泵可配隔震墊直接安裝在基礎上。
7.5kw以上時,可與澆鑄基礎直接安裝,亦可采用我單位is聯接板配合隔震器安裝、隔震器的安裝方法同isg泵配套的隔震器的尺寸,與isg系列中相同規格水泵的隔震器尺寸相同。
臥式不銹鋼管道泵安裝說明
1、安裝前應檢查機組緊固件有無松動現象,泵體流道有無異物堵塞,以免水泵運行時損壞葉輪和泵體。
2、安裝時管道重量不應加在水泵上,以免使泵變形。
3、安裝時必須擰緊地腳螺栓,以免起動時振動對泵性能的影響。
4、為了維修方便和使用安全,在泵的進出口管路上各安裝一只調節閥及在泵出口附近安裝一只壓力表,以保證在額定揚程和流量范圍內運行,確保泵正常運行,增長水泵的使用壽命。
5、安裝后撥動泵軸,葉輪應無磨擦聲或卡死現象,否則應將泵拆開檢查原因。
6、泵分硬性聯接安裝和柔性聯接安裝兩種(見聯接方式)。
臥式不銹鋼管道泵型譜圖性能參數表
|
型號
|
流量
|
揚程
(m) |
效率
(%) |
轉速
(r/min) |
電機功率
(kw) |
|
|---|---|---|---|---|---|---|
|
(m3/h)
|
(L/s)
|
|||||
| 15-80 |
1.1 1.5 2.0 |
0.30 0.42 0.55 |
8.5 8.0 7.0 |
26 34 34 |
2800 | 0.18 |
| 20-110 |
1.8 2.5 3.3 |
0.50 0.69 0.91 |
16.0 15.0 13.5 |
25 34 35 |
2800 | 0.37 |
| 20-125 |
1.8 2.5 3.3 |
0.50 0.69 0.91 |
21.0 20.0 18.6 |
28 35 34 |
2800 | 0.75 |
| 20-160 |
1.8 2.5 3.3 |
0.50 0.69 0.91 |
33 32 30 |
19 25 23 |
2900 | 1.5 |
| 25-110 |
2.8 4.0 5.2 |
0.78 1.11 1.44 |
16.0 15.0 13.5 |
34 42 41 |
2900 | 0.55 |
| 25-125 |
2.8 4.0 5.2 |
0.78 1.11 1.44 |
20.6 20.0 18.0 |
28 36 35 |
2900 | 0.75 |
| 25-125A |
2.5 3.6 4.6 |
0.69 1.00 1.28 |
17.0 16.0 14.4 |
29 35 31 |
2900 | 0.75 |
| 25-160 |
2.8 4.0 5.2 |
0.78 1.11 1.44 |
33 32 30 |
24 32 33 |
2900 | 1.5 |
| 25-160A |
2.6 3.7 4.9 |
0.12 1.03 1.36 |
29 28 26 |
27 31 29 |
2900 | 1.1 |
| 32-100 |
3.5 4.5 5.3 |
0.97 1.24 1.47 |
14.5 12.5 11 |
35 40 38 |
2900 | 0.55 |
| 30-125 |
3.5 5.0 6.5 |
0.97 1.39 1.80 |
22 20 18 |
40 44 42 |
2900 | 0.75 |
| 32-125A |
3.1 4.5 5.8 |
0.86 1.25 1.61 |
17.6 16.0 14.4 |
39 43 40 |
2900 | 0.55 |
| 32-160 |
4.4 6.3 8.3 |
1.22 1.75 2.32 |
33 32 30 |
40 44 42 |
2900 | 1.5 |
| 32-160A |
2.8 4.0 5.2 |
0.78 1.11 1.44 |
27 25 21 |
31 34 32 |
2900 | 1.1 |
| 32-200 |
3.1 4.5 5.8 |
0.86 1.25 1.61 |
50.5 50.0 48.0 |
28 32 30 |
2900 | 3 |
| 32-200A |
2.8 4.0 5.2 |
0.78 1.11 1.44 |
44.6 44 42.7 |
34 40 42 |
2900 | 2.2 |
| 32-160(1) |
4.4 6.3 8.3 |
1.22 1.75 2.32 |
33.2 32 30.2 |
34 40 42 |
2900 | 2.2 |
| 32-200(1) |
4.4 6.3 8.3 |
1.22 1.75 2.32 |
50.5 50.0 48.0 |
26 33 35 |
2900 | 4 |
| 40-100 |
4.4 6.3 8.3 |
1.22 1.75 2.31 |
13.2 12.5 11.3 |
48 54 53 |
2900 | 0.55 |
| 40-100A |
3.9 5.6 7.4 |
1.08 1.56 2.06 |
10.6 10.0 9.0 |
48 52 50 |
2900 | 0.37 |
| 40-125 |
4.4 6.3 8.3 |
1.22 1.75 2.31 |
21 20 18 |
41 46 43 |
2900 | 1.1 |
| 40-125A |
3.9 5.6 7.4 |
1.08 1.56 2.06 |
17.6 16 14.4 |
40 45 41 |
2900 | 0.75 |
| 40-160 |
4.4 6.3 8.3 |
1.22 1.75 2.31 |
33 32 30 |
35 40 40 |
2900 | 2.2 |
| 40-160A |
4.1 5.9 7.8 |
1.14 1.64 2.17 |
29 28 26.3 |
34 39 39 |
2900 | 1.5 |
| 40-160B |
3.8 5.5 7.2 |
1.06 1.53 2.0 |
25.5 24 22.5 |
34 38 37 |
2900 | 1.1 |
| 40-200 |
4.4 6.3 8.3 |
1.22 1.75 2.31 |
51 50 48 |
26 33 32 |
2900 | 4 |
| 40-200A |
4.1 5.9 7.8 |
1.14 1.64 2.17 |
45 44 42 |
26 31 32 |
2900 | 3 |
| 40-200B |
3.7 5.3 7.0 |
1.03 1.47 1.94 |
38 36 34.5 |
25 29 27 |
2900 | 2.2 |
| 40-250 |
4.4 6.3 8.3 |
1.22 1.75 2.31 |
82 80 74 |
24 28 28 |
2900 | 7.5 |
| 40-250A |
4.1 5.9 7.8 |
1.14 1.64 2.17 |
72 70 65 |
24 28 27 |
2900 | 5.5 |
| 40-250B |
3.8 5.5 7.0 |
1.06 1.53 1.94 |
61.5 60 56 |
23 27 26 |
2900 | 4 |
| 40-100(1) |
8.8 12.5 16.3 |
2.44 3.47 4.53 |
13.2 12.5 11.3 |
55 62 60 |
2900 | 1.1 |
| 40-100(1)A |
8.0 11.0 14.5 |
2.22 3.05 4.03 |
10.6 10.0 9.0 |
57 60 59 |
2900 | 0.75 |
| 40-125(1) |
8.8 12.5 16.3 |
2.44 3.47 4.53 |
21.2 20.0 17.8 |
49 58 57 |
2900 | 1.5 |
| 40-125(1)A |
8.0 11.0 14.5 |
2.22 3.05 4.03 |
17.0 16.0 14.0 |
53 57 55 |
2900 | 1.1 |
| 40-160(1) |
8.8 12.5 16.3 |
2.44 3.47 4.53 |
33 32 30 |
45 52 51 |
2900 | 3 |
| 40-160(1)A |
8.2 11.7 15.2 |
2.28 3.25 4.22 |
29 28 26 |
44 51 50 |
2900 | 2.2 |
| 40-160(1)B |
7.3 10.4 13.5 |
2.38 2.89 3.75 |
23 22 20.5 |
50 | 2900 | 1.5 |
| 40-200(1) |
8.8 12.5 16.3 |
2.44 3.47 4.53 |
51.2 50 48 |
38 46 46 |
2900 | 5.5 |
| 40-200(1)A |
8.3 11.7 15.3 |
2.31 3.25 4.25 |
45.0 44 42 |
37 45 45 |
2900 | 4 |
| 40-200(1)B |
7.5 10.6 13.8 |
2.08 2.94 3.83 |
37 36 34 |
44 | 2900 | 3 |
| 40-250(1) |
8.8 12.5 16.3 |
2.44 3.47 4.53 |
81.2 80 77.5 |
31 38 40 |
2900 | 11 |
| 40-250(1)A |
8.2 11.6 15.2 |
2.28 3.22 4.22 |
71.0 70 68 |
38 | 2900 | 7.5 |
| 40-250(1)B |
7.6 10.8 14 |
2.11 3.0 3.89 |
61.4 60 58 |
37 | 2900 | 5.5 |
| 40-250(1)C |
7.1 10.0 13.1 |
1.97 2.78 3.64 |
53.2 52 50.4 |
36 | 2900 | 5.5 |
| 50-100 |
8.8 12.5 16.3 |
2.44 3.47 4.53 |
13.6 12.5 11.3 |
55 62 60 |
2900 | 1.1 |
| 50-100A |
8 11 14.5 |
2.22 3.05 4.03 |
11 10 9 |
60 | 2900 | 0.75 |
| 50-125 |
8.8 12.5 16.3 |
2.44 3.74 4.53 |
21.5 20 17.8 |
49 58 57 |
2900 | 1.5 |
| 50-125A |
8 11 14.5 |
2.22 3.05 4.03 |
17 16 14 |
57 | 2900 | 1.1 |
| 50-160 |
8.8 12.5 16.3 |
2.44 3.47 4.53 |
33 32 30 |
45 52 51 |
2900 | 3 |
| 50-160A |
8.2 11.7 15.2 |
2.28 3.25 4.22 |
29 28 26 |
44 51 50 |
2900 | 2.2 |
| 50-160B |
7.3 10.4 13.5 |
2.38 2.89 3.75 |
23 22 20.5 |
50 | 2900 | 1.5 |
| 50-200 |
8.8 12.5 16.3 |
2.44 3.47 4.53 |
52 50 48 |
38 46 46 |
2900 | 5.5 |
| 50-200A |
8.3 11.7 15.3 |
2.31 3.25 4.25 |
45.8 44 42 |
37 45 45 |
2900 | 4 |
| 50-200B |
7.5 10.6 13.8 |
2.08 2.94 3.83 |
37 36 34 |
44 | 2900 | 3 |
| 50-250 |
8.8 12.5 16.3 |
2.44 3.47 4.53 |
82 80 77.5 |
29 38 40 |
2900 | 11 |
| 50-250A |
8.2 11.6 15.2 |
2.28 3.22 4.22 |
71.5 70 68 |
38 | 2900 | 75 |
| 50-250B |
7.6 10.8 14 |
2.11 3.0 3.89 |
61.4 60 58 |
37 | 2900 | 5.5 |
| 50-250C |
7.1 10.0 13.1 |
1.97 2.78 3.64 |
53.2 52 504 |
36 | 2900 | 5.5 |
| 50-100(1) |
17.5 25 32.5 |
4.86 6.94 9.03 |
13.7 12.5 10.5 |
67 69 69 |
2900 | 1.5 |
| 50-100(1)A |
15.6 22.3 29 |
4.3 6.19 8.1 |
11 10 8.4 |
65 67 68 |
2900 | 1.1 |
| 50-125(1) |
17.5 25 32.5 |
4.86 6.94 9.03 |
21.5 20 18 |
60 68 67 |
2900 | 3 |
| 50-125(1)A |
15.6 22.3 29 |
4.33 6.19 8.1 |
17 16 13.6 |
58 66 65 |
2900 | 2.2 |
| 50-160(1) |
17.5 25 32.5 |
4.68 6.94 9.03 |
34.4 32 27.5 |
54 63 60 |
2900 | 4 |
| 50-160(1)A |
16.4 23.4 30.4 |
4.56 6.5 8.44 |
30 28 24 |
54 62 59 |
2900 | 3 |
| 50-160(1)B |
15.0 21.6 28 |
4.17 6.0 7.78 |
26 24 20.6 |
28 | 2900 | 2.2 |
| 50-200(1) |
17.5 25 32.5 |
4.86 6.94 9.03 |
52.7 50 45.5 |
49 58 59 |
2900 | 7.5 |
| 50-200(1)A |
16.4 23.5 30.5 |
4.56 6.53 8.47 |
46.4 44 40 |
48 57 58 |
2900 | 5.5 |
| 50-200(1)B |
15.2 21.8 28.3 |
4.22 6.06 7.86 |
40 38 34.5 |
55 | 2900 | 4 |
| 50-250(1) |
17.5 25 32.5 |
4.86 6.94 9.03 |
82 80 76.5 |
39 50 52 |
2900 | 15 |
| 50-250(1)A |
16.4 23.4 30.5 |
4.56 6.5 8.47 |
71.5 70 67 |
39 50 52 |
2900 | 11 |
| 50-250(1)B |
15 21.6 28 |
4.17 6.0 7.78 |
61 60 57.4 |
38 49 54 |
2900 | 7.5 |
| 50-315(1) |
17.5 25 32.5 |
4.86 6.94 9.03 |
128 125 122 |
30 40 44 |
2900 | 30 |
| 50-315(1)A |
16.6 23.7 31 |
4.61 6.58 8.6 |
115 113 110 |
30 40 44 |
2900 | 22 |
| 50-315(1)B |
15.7 22.5 29.2 |
4.36 6.25 8.0 |
103 101 98 |
39 | 2900 | 18.5 |
| 50-315(1)C |
14.4 20.6 26.8 |
4.0 5.72 7.44 |
86 85 83 |
38 | 2900 | 15 |
| 65-100 |
17.5 25 32.5 |
4.86 6.94 9.03 |
13.7 12.5 10.5 |
67 69 69 |
2900 | 1.5 |
| 65-100A |
15.6 22.3 29 |
4.3 6.19 8.1 |
11 10 8.4 |
65 67 68 |
2900 | 1.1 |
| 65-125 |
17.5 25 32.5 |
4.86 6.94 9.03 |
21.5 20 18 |
60 68 67 |
2900 | 3 |
| 65-125A |
15.6 22.3 29 |
4.33 6.19 8.1 |
17 16 14.4 |
58 66 65 |
2900 | 2.2 |
| 65-160 |
17.5 25 32.5 |
4.86 6.94 9.03 |
34.4 32 27.5 |
54 63 60 |
2900 | 4 |
| 65-160A |
16.4 23.4 30.4 |
4.56 6.5 8.44 |
30 28 24 |
54 62 59 |
2900 | 3 |
| 65-160B |
15.0 21.6 28 |
4.17 6.0 7.78 |
26 24 20.6 |
58 | 2900 | 2.2 |
| 65-200 |
17.5 25 32.5 |
4.86 6.94 9.03 |
52.7 50 45.5 |
49 58 59 |
2900 | 7.5 |
| 65-200A |
16.4 23.5 30.5 |
4.56 6.53 8.47 |
46.4 44 40 |
48 57 58 |
2900 | 5.5 |
| 65-200B |
15.2 21.8 28.3 |
4.22 6.06 7.86 |
40 38 34.5 |
55 | 2900 | 4 |
| 65-250 |
17.5 25 32.5 |
4.86 6.94 9.03 |
82 80 76.5 |
39 50 52 |
2900 | 15 |
| 65-250A |
16.4 23.4 30.5 |
4.56 6.5 8.47 |
71.5 70 67 |
39 50 52 |
2900 | 11 |
| 65-250B |
15 21.6 28 |
4.17 6.0 7.78 |
61 60 57.4 |
38 49 54 |
2900 | 7.5 |
| 65-315 |
17.5 25 32.5 |
4.86 6.94 9.03 |
127 125 122 |
32 40 44 |
2900 | 30 |
| 65-315A |
16.6 23.7 31 |
4.61 6.58 8.6 |
115 113 110 |
32 40 44 |
2900 | 22 |
| 65-315B |
15.7 22.5 29.2 |
4.36 6.25 8.0 |
103 101 98 |
39 | 2900 | 18.5 |
| 65-315C |
14.4 20.6 26.8 |
4.0 5.72 7.44 |
86 85 83 |
38 | 2900 |
15 |
| 65-100(1) |
35 50 65 |
9.72 13.9 18.1 |
13.8 12.5 10 |
67 73 70 |
2900 | 3 |
| 65-100(1)A |
31.3 44.7 58 |
8.7 12.4 16.1 |
11 10 8 |
66 72 69 |
2900 | 2.2 |
| 65-125(1) |
35 50 65 |
9.72 13.9 18.1 |
22 20 17 |
67 72.5 70 |
2900 | 5.5 |
| 65-125(1)A |
31.5 45 58 |
8.7 12.5 16.1 |
17.5 16 13.6 |
66 71 69 |
2900 | 4 |
| 65-160(1) |
35 50 65 |
9.72 13.9 18.1 |
35 32 28 |
63 71 70 |
2900 | 7.5 |
| 65-160(1)A |
32.7 46.7 61 |
9.1 13.0 16.9 |
30.6 28 24 |
62 70 69 |
2900 | 5.5 |
| 65-160(1)B |
30.3 43.3 56.3 |
8.4 12.0 15.6 |
26 24 21 |
69 | 2900 | 4 |
| 65-200(1) |
35 50 65 |
9.72 13.9 18.1 |
53.5 50 46 |
55 67 68 |
2900 | 15 |
| 65-200(1)A |
32.8 47 61 |
9.1 13.1 16.9 |
47 44 40 |
54 66 67 |
2900 | 11 |
| 65-200(1)B |
30.5 43.5 56.6 |
8.5 12.1 15.7 |
40.6 38 33.4 |
65 | 2900 | 7.5 |
| 65-250(1) |
35 50 65 |
9.72 13.9 18.1 |
83 80 72 |
52 59 60 |
2900 | 22 |
| 65-250(1)A |
32.5 43.3 46.7 |
9.0 13.0 16.9 |
73 70 63 |
52 59 60 |
2900 | 18.5 |
| 65-250(1)B |
30 56 61 |
8.3 12.0 15.6 |
62 60 54 |
58 | 2900 | 15 |
| 65-315(1) |
35 50 65 |
9.72 13.9 18.1 |
128 125 121 |
44 54 57 |
2900 | 37 |
| 65-315(1)A |
32.5 46.5 60.5 |
9.0 12.9 16.8 |
112.6 110 106.4 |
43 54 57 |
2900 | 30 |
| 65-315(1)B |
31 44.5 58 |
8.6 12.4 16.1 |
102.5 100 98 |
53 | 2900 | 30 |
| 65-315(1)C |
29 41 53.6 |
8.1 11.4 14.9 |
87 85 83 |
51 | 2900 | 22 |
| 80-100 |
35 50 65 |
9.72 13.9 18.1 |
13.8 12.5 10 |
67 73 70 |
2900 | 3 |
| 80-100A |
31.3 44.7 58 |
8.7 12.5 16.1 |
11 10 8 |
66 72 69 |
2900 | 2.2 |
| 80-125 |
35 50 65 |
9.72 13.9 18.1 |
22 20 17 |
67 72.5 70 |
2900 | 5.5 |
| 80-125A |
31.3 45 58 |
8.7 12.5 16.1 |
17.5 16 13.6 |
66 71 69 |
2900 | 4 |
| 80-160 |
35 50 65 |
9.72 13.9 18.1 |
35 32 28 |
63 71 70 |
2900 | 7.5 |
| 80-160A |
32.7 46.7 61 |
9.1 13.0 16.9 |
30.6 28 24 |
62 70 69 |
2900 | 5.5 |
| 80-160B |
30.3 43.3 56.3 |
8.4 12.0 15.6 |
26 24 21 |
69 | 2900 | 4 |
| 80-200 |
35 50 65 |
9.72 13.9 18.1 |
53.5 50 46 |
55 67 68 |
2900 | 15 |
| 80-200A |
32.8 47 61 |
9.1 13.1 16.9 |
47 44 40 |
54 66 67 |
2900 | 11 |
| 80-200B |
30.5 43.5 56.6 |
8.5 12.1 15.7 |
40.6 38 33.4 |
65 | 2900 | 7.5 |
| 80-250 |
35 50 65 |
9.72 13.9 18.1 |
83 80 72 |
52 59 60 |
2900 | 22 |
| 80-250A |
32.5 46.7 61 |
9.0 13.0 16.9 |
73 70 63 |
52 59 60 |
2900 | 18.5 |
| 80-250B |
30 43.3 56 |
8.3 12.0 15.6 |
62 60 54 |
58 | 2900 | 15 |
| 80-315 |
35 50 65 |
9.72 13.9 18.1 |
128 125 122 |
43 54 57 |
2900 | 37 |
| 80-315A |
32.5 46.5 60.5 |
9.0 12.9 16.8 |
112.6 110 107.4 |
43 54 57 |
2900 | 30 |
| 80-315B |
31 44.5 58 |
8.6 12.4 16.1 |
102.5 100 98 |
53 | 2900 | 30 |
| 80-315C |
29 41 53.6 |
8.1 11.4 14.9 |
98 85 83 |
51 | 2900 | 22 |
| 80-350 |
35 50 65 |
9.72 13.9 18.1 |
153.6 150 142 |
55 66 67 |
2900 | 55 |
| 80-350A |
31 44.5 58 |
8.6 12.4 16.1 |
145.6 142 134.8 |
65 | 2900 | 45 |
| 80-350B |
29 41 53.6 |
8.1 11.4 14.9 |
138.6 135 127.8 |
63 | 2900 | 37 |
| 80-100(1) |
70 100 130 |
19.4 27.8 36.1 |
13.6 12.5 11 |
66 76 75 |
2900 | 5.5 |
| 80-100(1)A |
62.6 89 116 |
17.4 24.7 32.2 |
11 10 8.8 |
64 74 74 |
2900 | 4 |
| 80-125(1) |
70 100 130 |
19.4 27.8 36.1 |
23.5 20 14 |
70 76 65 |
2900 | 11 |
| 80-125(1)A |
62.6 89 116 |
17.4 24.7 32.2 |
19 16 11 |
68 74 65 |
2900 | 7.5 |
| 80-160(1) |
70 100 130 |
19.4 27.8 36.1 |
36.5 32 24 |
70 76 65 |
2900 | 15 |
| 80-160(1)A |
65.4 93.5 121.6 |
18.2 26.0 33.8 |
32 28 21 |
68 74 67 |
2900 | 11 |
| 80-160(1)B |
60.6 86.6 112.6 |
16.8 24.1 31.3 |
26 24 18 |
72 | 2900 | 7.5 |
| 80-200(1) |
70 100 130 |
19.4 27.8 36.1 |
54 50 42 |
65 74 73 |
2900 | 22 |
| 80-200(1)A |
65.4 93.5 121.6 |
18.2 26.0 33.8 |
47.5 44 37 |
67 73 72 |
2900 | 18.5 |
| 80-200(1)B |
61 87 113 |
16.9 24.2 31.4 |
41 38 32 |
71 | 2900 | 15 |
| 80-250(1) |
70 100 130 |
19.4 27.8 36.1 |
87 80 68 |
62 69 68 |
2900 | 37 |
| 80-250(1)A |
65.4 93.5 121.6 |
18.2 26.0 33.8 |
76 70 59.5 |
61 68 67 |
2900 | 30 |
| 80-250(1)B |
61 87 113 |
16.9 24.2 31.4 |
65 60 51 |
66 |
2900 | 22 |
| 80-315(1) |
70 100 130 |
19.4 27.8 36.1 |
132 125 114 |
55 66 67 |
2900 | 75 |
| 80-315(1)A |
66.5 95 123.6 |
18.5 26.4 34.3 |
119 113 103 |
55 66 67 |
2900 | 55 |
| 80-315(1)B |
63 90 117 |
17.5 25 32.5 |
106.6 101 92 |
65 | 2900 | 45 |
| 80-315(1)C |
58 82 107 |
16.1 22.8 29.7 |
90 85 76 |
63 | 2900 | 37 |
| 100-100 |
70 100 130 |
19.4 27.8 36.1 |
13.6 12.5 11 |
66 76 75 |
2900 | 5.5 |
| 100-100A |
62.6 89 116 |
17.4 47 32.2 |
11 10 8.8 |
64 74 74 |
2900 | 4 |
| 100-125 |
70 100 130 |
19.4 27.8 36.1 |
23.5 20 14 |
70 76 65 |
2900 | 11 |
| 100-125A |
62.6 89 116 |
17.4 24.7 32.2 |
19 16 11 |
68 74 63 |
2900 | 7.5 |
| 100-160 |
70 100 130 |
19.4 27.8 36.1 |
36.5 32 24 |
70 76 65 |
2900 | 15 |
| 100-160A |
65.4 93.5 121.6 |
18.2 26.0 33.8 |
32 28 21 |
68 74 67 |
2900 | 11 |
| 100-160B |
60.6 86.6 112.5 |
16.8 24.1 31.3 |
27 24 18 |
72 | 2900 | 7.5 |
| 100-200 |
70 100 130 |
19.4 27.8 36.1 |
54 50 42 |
65 74 73 |
2900 | 22 |
| 100-200A |
65.4 93.5 121.6 |
18.2 26.0 33.8 |
47.5 44 37 |
64 73 72 |
2900 | 18.5 |
| 100-200B |
61 87 113 |
16.9 24.2 31.4 |
41 38 32 |
71 | 2900 | 15 |
| 100-250 |
70 100 130 |
19.4 27.8 36.1 |
87 80 68 |
62 69 68 |
2900 | 37 |
| 100-250A |
65.4 93.5 121.6 |
18.2 26.0 33.8 |
76 70 59.5 |
61 68 67 |
2900 | 30 |
| 100-250B |
61 87 113 |
16.9 24.2 31.4 |
65 60 51 |
66 | 2900 | 22 |
| 100-315 |
70 100 130 |
19.4 27.8 36.1 |
132 125 114 |
55 66 67 |
2900 | 75 |
| 100-315A |
66.5 95 123.6 |
18.5 26.4 34.3 |
119 113 103 |
65 66 67 |
2900 | 55 |
| 100-315B |
63 90 117 |
17.5 25 32.5 |
106.6 101 92 |
65 | 2900 | 45 |
| 100-315C |
58 82 107 |
16.1 27.8 29.7 |
90 85 76 |
63 | 2900 | 37 |
| 100-350 |
60 100 120 |
16.7 27.8 33.3 |
153.6 150 142 |
72 57 74 |
2900 | 90 |
| 100-350A |
61 87 113 |
16.9 24.2 31.4 |
145.6 142 134 |
75 | 2900 | 75 |
| 100-350B |
58 82 107 |
16.1 22.8 29.7 |
138.6 135 127 |
75 | 2900 | 55 |
| 100-100(1) |
96 160 192 |
26.7 44.4 53.3 |
14 12.5 10 |
64 73 70 |
2900 | 11 |
| 100-125(1) |
96 160 192 |
26.7 44.4 53.3 |
24 20 14 |
62 74 69 |
2900 | 15 |
| 100-125(1)A |
84 140 168 |
23.3 39 46.7 |
20 17 12 |
64 72 68 |
2900 | 11 |
| 100-160(1) |
96 160 192 |
26.7 44.4 53.3 |
36 32 27 |
69 79 75 |
2900 | 22 |
| 100-160(1)A |
84 140 168 |
23.3 39 46.7 |
32 28 23.5 |
66 76 72 |
2900 | 18.5 |
| 100-200(1) |
96 160 192 |
26.7 44.4 53.3 |
53 50 45 |
69 79 78 |
2900 | 37 |
| 100-200(1)A |
84 140 168 |
23.3 39 46.7 |
48 45 40 |
64 74 73 |
2900 | 30 |
| 100-200(1)B |
60 100 120 |
16.7 27.8 33.3 |
43 40 36 |
72 | 2900 | 22 |
| 100-250(1) |
96 160 192 |
26.7 44.4 53.3 |
83 80 72 |
65 77 74 |
2900 | 55 |
| 100-250(1)A |
84 140 168 |
23.3 39 46.7 |
75 72 65 |
60 72 69 |
2900 | 45 |
| 100-250(1)B |
60 100 120 |
16.7 27.8 33.3 |
68 65 58 |
70 | 2900 | 37 |
| 125-100 |
96 160 192 |
26.7 44.4 53.3 |
13 12.5 12 |
82 | 2900 | 11 |
| 125-100A |
86 143 172 |
23.9 39.7 47.8 |
10.4 10 9.6 |
77 | 2900 | 7.5 |
| 125-125 |
96 160 192 |
26.7 44.4 53.3 |
22.6 20 9.6 |
80 | 2900 | 15 |
| 125-125A |
86 143 172 |
23.9 39.7 47.8 |
18 16 13.6 |
77 | 2900 | 11 |
| 125-160 |
96 160 192 |
26.7 44.4 53.3 |
36 32 28 |
78 | 2900 | 22 |
| 125-160A |
90 150 180 |
25 41.7 50 |
31.5 28 24.5 |
76 |
2900 |
18.5 |
| 125-160B |
83 138 166 |
21.7 38.3 46.1 |
27 24 21 |
73 | 2900 | 15 |
| 125-200 |
96 160 192 |
26.7 44.4 53.3 |
55 50 46 |
77 | 2900 | 37 |
| 125-200A |
90 150 180 |
25 41.7 50 |
48.4 44 40.5 |
76 | 2900 | 30 |
| 125-200B |
83 138 166 |
31.7 38.3 46.1 |
41.3 37.5 34.5 |
75 | 2900 | 22 |
| 125-250 |
96 160 192 |
26.7 4.4 53.3 |
87 80 73 |
75 | 2900 | 55 |
| 125-250A |
90 150 180 |
25 41.7 50 |
84 76 70 |
74 | 2900 | 45 |
| 125-250B |
83 138 166 |
21.7 38.3 46.1 |
65 60 55 |
73 | 2900 | 37 |
| 125-315 |
96 160 192 |
26.7 44.7 53.3 |
133 125 119 |
70 | 2900 | 90 |
| 125-315A |
90 150 180 |
25 41.7 50 |
117 110 104.6 |
70 | 2900 | 75 |
| 125-315B |
86 143 172 |
23.9 39.7 47.8 |
106.4 100 95.2 |
69 | 2900 | 75 |
| 125-315C |
80.5 134 161 |
22.4 37.2 44.7 |
96 88 86 |
67 | 2900 | 55 |
| 150-125 |
96 160 192 |
26.7 44.4 53.3 |
22.6 20 17 |
66 76 76 |
2900 | 15 |
| 150-125A |
90 150 180 |
25 41.7 50 |
18 16 13.6 |
77 | 2900 | 11 |
| 150-160 |
96 160 192 |
26.7 44.4 53.3 |
36 32 27 |
75 | 2900 | 22 |
| 150-160A |
90 150 180 |
25 41.7 50 |
32 28 23.5 |
76 | 2900 | 18.5 |
| 150-160B |
84 140 168 |
23.3 39 46.7 |
27 24 21 |
73 | 2900 | 15 |
| 150-200 |
140 200 260 |
38.9 55.6 72.2 |
13.8 12.5 10.6 |
68 78 78 |
1450 | 15 |
| 150-200A |
125 176 232.5 |
34.7 49.7 64.6 |
11 10 8.5 |
66 76 76 |
1450 | 11 |
| 150-200B |
110 160 207 |
31 44.4 57.6 |
9.2 8 6.8 |
75 | 1450 | 7.5 |
| 150-250 |
140 200 260 |
38.9 55.6 72.2 |
21.8 20 17 |
73 79 77 |
1450 | 18.5 |
| 150-250A |
129 184.4 240 |
35.8 51.2 66.7 |
18.5 17 14.4 |
72 78 76 |
1450 | 15 |
| 150-250B |
117 167 217.5 |
32.5 46.4 60.4 |
15.2 14 12 |
76 | 1450 | 11 |
| 150-315 |
140 200 260 |
38.9 55.6 72.2 |
33.8 32 28 |
70 78 73 |
1450 | 30 |
| 150-315A |
131 187 243 |
36.4 51.9 67.5 |
29.5 28 24.5 |
69 77 77 |
1450 | 22 |
| 150-315B |
121 173 225 |
33.5 48.1 62.5 |
25 24 21 |
76 | 1450 | 18.5 |
| 150-350 |
96 160 192 |
26.7 44.4 53.3 |
153.6 150 142.8 |
80 | 2900 | 110 |
| 150-350A |
90 150 180 |
25 41.7 50 |
145.6 142 134.8 |
70 | 2900 | 90 |
| 150-350B |
84 140 168 |
23.3 39 46.7 |
138.6 135 127.8 |
65 76 74 |
2900 | 75 |
| 150-400 |
140 200 260 |
38.9 55.6 72.2 |
53 50 44 |
68 75 71 |
1450 | 45 |
| 150-400A |
131 187 243 |
36.4 51.9 67.5 |
46.6 44 38.3 |
67 74 70 |
1450 | 37 |
| 150-400B |
122 174 226.5 |
33.9 48.3 62.9 |
40 38 33 |
73 | 1450 | 30 |
| 150-400C |
112 160 208 |
31.1 44.4 57.8 |
34 32 28 |
71 | 1450 | 22 |
| 150-250(1) |
120 200 240 |
33.3 55.6 66.7 |
87 80 72 |
65 76 74 |
2900 | 75 |
| 150-250(1)A |
112 187 224 |
31.1 51.9 62.2 |
76 |
64 |
2900 |
55 |
| 150-250(1)B |
104 173 208 |
28.9 48.1 57.8 |
65 60 54 |
63 74 72 |
2900 | 45 |
| 150-315(1) |
120 200 240 |
33.3 55.6 66.7 |
133 125 120 |
58 73 75 |
2900 | 110 |
| 150-315(10)A |
112 187 224 |
31.1 51.9 62.2 |
116 110 105 |
57 72 74 |
2900 | 90 |
| 150-315(1)B |
104 173 208 |
28.9 48.1 57.8 |
100 95 91 |
55 70 72 |
2900 | 75 |
| 200-200 |
140 200 260 |
38.9 55.6 72.2 |
13.8 12.5 10.6 |
68 78 78 |
1450 | 15 |
| 200-200A |
125 179 232.5 |
34.7 49.7 64.6 |
11 10 8.5 |
66 76 76 |
1450 | 11 |
| 200-250 |
140 200 260 |
38.9 55.6 72.2 |
21.8 20 17 |
73 79 77 |
1450 | 18.5 |
| 200-250A |
129 184.4 240 |
35.8 51.2 66.7 |
18.5 17 14.4 |
72 78 76 |
1450 | 15 |
| 200-250B |
117 167 217.5 |
32.5 46.4 60.4 |
15.2 14 12 |
76 | 1450 | 11 |
| 200-315 |
140 200 260 |
38.9 55.6 72.2 |
33.8 32 28 |
70 78 78 |
1450 | 30 |
| 200-315A |
131 189 243 |
36.4 51.9 67.5 |
29.5 28 24.5 |
69 77 77 |
1450 | 22 |
| 200-315B |
121 173 225 |
33.6 48.1 62.5 |
25 24 21 |
76 | 1450 | 18.5 |
| 200-400 |
140 200 260 |
38.9 55.6 72.2 |
53 50 44 |
68 75 71 |
1450 | 45 |
| 200-400A |
131 187 243 |
36.4 51.9 67.5 |
46.6 44 38.3 |
67 74 70 |
1450 | 37 |
| 200-400B |
122 174 226.5 |
33.9 48.6 62.9 |
40 38 33 |
73 | 1450 | 30 |
| 200-400C |
112 160 208 |
31.3 44.4 57.8 |
34 32 28 |
71 | 1450 | 22 |
| 200-200(1) |
280 400 520 |
77.8 111.1 114 |
13.4 12.5 10.5 |
70 80 79 |
1450 | 22 |
| 200-200(1)A |
250 358 465 |
69.4 99.4 129.2 |
10.7 10 8.5 |
68 78 77 |
1450 | 18.5 |
| 200-250(1) |
280 400 520 |
77.8 111.4 114 |
22.2 20 14 |
75 80 72 |
1450 | 30 |
| 200-250(1)A |
250 358 465 |
69.4 99.6 129.2 |
18 14 11.2 |
73 78 70 |
1450 | 22 |
| 200-250(1)B |
226 322 419 |
62.8 89.4 116.4 |
14.4 13 7.3 |
70 75 67 |
1450 | 18.5 |
| 200-315(1) |
280 400 520 |
77.8 111.4 144 |
36 32 26 |
73 80 75 |
1450 | 55 |
| 200-315(1)A |
262 374 486 |
72.8 103.9 135 |
31.5 28 23 |
72 79 74 |
1450 | 45 |
| 200-315(1)B |
242 346 450 |
67.2 96.1 125 |
27 24 19.5 |
78 | 1450 | 37 |
| 200-400(1) |
280 400 520 |
77.8 111.4 144 |
54.5 50 39 |
75 81 77 |
1450 | 75 |
| 200-400(1)A |
262 374 486 |
72.8 103.9 135 |
48 44 34 |
80 | 14550 | 75 |
| 200-400(1)B |
242 346 450 |
67.2 96.1 125 |
41.4 38 29.6 |
78 | 1450 | 55 |
| 200-400(1)C |
224 320 416 |
62.2 88.9 115.6 |
34.9 32 25 |
76 | 1450 | 45 |
| 250-250 |
350 550 650 |
97.2 152.8 180.5 |
22 20 16 |
78 82 81 |
1450 | 45 |
| 250-250A |
300 500 600 |
83.3 139 166.7 |
18.3 17 14 |
76 80 80 |
1450 | 37 |
| 250-235 |
300 500 600 |
83.3 139 166.7 |
14 12.5 11 |
73 78 70 |
1450 | 22 |
| 250-300 |
300 500 600 |
83.3 139 166.7 |
22 20 16 |
78 | 1450 | 37 |
| 250-315 |
350 550 650 |
97.2 152.8 180.5 |
34 32 28 |
76 80 79 |
1450 | 75 |
| 250-315A |
300 500 600 |
83.3 139 166.7 |
29.5 28 24 |
74 78 77 |
1450 | 55 |
| 250-315B |
260 450 250 |
72.2 125 144.4 |
25 24 20 |
70 74 72 |
1450 | 45 |
| 250-400 |
300 500 600 |
83.3 139 166.7 |
54.5 50 39 |
72 | 1480 | 110 |
| 250-400A |
262 450 521 |
72.7 125 144.7 |
46.6 44 38.3 |
69 | 1480 | 90 |
| 250-500 |
385 550 660 |
106.9 152.8 183.3 |
87 80 68 |
80 | 1480 | 160 |
| 250-500A |
357 510 612 |
99.2 141.7 170 |
76.1 70 59.5 |
78 | 1480 | 132 |
| 250-500B |
329 470 564 |
91.4 130.6 156.7 |
65.2 60 51 |
75 | 1480 | 110 |
| 300-235 |
540 720 900 |
150 200 250 |
20.5 18 15.0 |
77 81 74 |
1450 | 55 |
| 300-235A |
450 600 720 |
125 166 200 |
17.2 15 12.5 |
74 79 77 |
1450 | 45 |
| 300-235B |
420 540 650 |
116.7 150 181 |
14.3 12.8 10.5 |
73 78 70 |
1450 | 37 |
| 300-250 |
540 720 900 |
150 200 250 |
22.5 20 17 |
80 83 84 |
1450 | 55 |
| 300-250A |
450 600 720 |
136 166 200 |
19.5 17 14 |
81 | 1450 | 45 |
| 300-300 |
540 720 900 |
150 200 250 |
32 28 23 |
82 | 1480 | 75 |
| 300-300A |
450 600 720 |
125 166 200 |
27.5 24 20 |
80 | 1480 | 75 |
| 300-300B |
420 540 650 |
116.7 150 181 |
24 21 17 |
78 | 1480 | 55 |
| 300-315 |
540 720 900 |
150 200 250 |
35 32 26 |
84 | 1480 | 90 |
| 300-315A |
460 650 800 |
127.8 180 222 |
31.5 28 23.5 |
80 | 1480 | 75 |
| 300-315B |
420 580 700 |
116.7 161 194 |
27 24 20.0 |
78 | 1480 | 55 |
| 300-380 |
480 720 900 |
133.3 200 250 |
48 44 34 |
84 | 970 | 132 |
| 300-380A |
444 666 833 |
123.3 185 231.4 |
41.4 38 30 |
80 | 970 | 110 |
| 300-380B |
400 614 764 |
113.6 170.6 213.1 |
35 32 25 |
78 | 970 | 90 |
| 300-390 |
540 720 900 |
150 200 250 |
20.5 18 15.5 |
78 81 76 |
980 | 55 |
| 300-390A |
450 600 720 |
126 167 200 |
17.2 15 12.8 |
77 79 75 |
980 | 45 |
| 300-390B |
400 540 650 |
111 150 180 |
14 12.5 11.5 |
74 77 76 |
980 | 37 |
| 300-400 |
450 600 720 |
125 166 200 |
55 50 42.5 |
78 | 1480 | 110 |
| 300-480 |
540 720 900 |
150 200 250 |
31 28 24 |
79 81 80 |
980 | 75 |
| 300-480A |
450 600 720 |
126 166 200 |
27.4 24 20.0 |
78 80 79 |
980 | 75 |
| 300--480B |
400 540 650 |
111 150 180 |
24 21 17 |
79 | 980 | 55 |
| 300-315(1) |
650 950 1200 |
180.6 263.9 333.3 |
36 32 28 |
82 |
1450 | 132 |
| 300-315(1)A |
600 900 1150 |
166.7 250 320 |
32 28 24 |
80 | 1450 | 110 |
| 350-235 |
600 800 960 |
167 222 267 |
14 12.5 10.5 |
80 83 82 |
980 | 37 |
| 350-235(1) |
800 1080 1350 |
222.2 300 375 |
20 16 12 |
80 83 82 |
980 | 75 |
| 350-300 |
600 800 960 |
167 222 267 |
22.5 20 17.5 |
79 82 71 |
980 | 75 |
| 350-315 |
600 800 960 |
167 222 267 |
35.5 32 28.5 |
84 | 980 | 90 |
| 350-400 |
600 800 960 |
167 222 267 |
55 50 45.5 |
83 | 980 | 160 |
| 400-300 |
920 1180 1300 |
255 328 361 |
23 19 16 |
78 | 980 | 90 |
| 400-315 |
950 1250 1500 |
264 347 416 |
32 28 24 |
76 | 980 | 132 |
| 500-235 |
1500 1800 2000 |
416 500 556 |
16 14 12 |
75 | 980 | 110 |
| 500-300 |
1400 1700 1900 |
388 472 528 |
22 20 18 |
80 | 980 | 132 |
| 500-315 |
1200 1550 1800 |
333 416 500 |
32 28 24 |
78 | 980 | 160 |











