CS型手搖泵
目錄
CS型手搖泵產品概述
CS-20、CS-25、CS-32系列適用于抽送燃油、潤滑油、水等液體。具有體積小、重量輕、自吸性能好、安裝使用方便等特點。本廠生產的CS系列手搖泵,設計合理、用料講究、維修簡單,重要的另件均經防腐蝕處理,因此是比較理想的船用泵浦。
CS型手搖泵規格和主要技術數據
|
型 號
|
CS-20型泵
|
CS-25型泵
|
CS-32型泵
|
|
流量m3/分
|
0.02m3/分
|
0.032m3/分
|
0.04m3/分
|
|
排出壓力Mpa
|
0.25mPa
|
0.25mPa
|
0.25mPa
|
|
吸入真空高度m
|
5m(水柱)
|
5m(水柱)
|
5m(水柱)
|
|
活塞行程mm
|
70mm
|
70mm
|
90mm
|
|
往復次數次/分
|
50次/分
|
50次/分
|
50次/分
|
|
泵缸直徑mm
|
φ65
|
φ75
|
φ88mm
|
|
手柄作用力kg
|
≈18kg
|
≈230N
|
≈28kg
|
|
進出水口徑mm
|
φ20mm
|
φ25
|
φ32mm
|
|
重量kg
|
6kg/臺
|
8.5kg/臺
|
12kg/臺
|
CS型手搖泵使用與維修
1.使用前先卸下兩側蓋及上端蓋上的放油螺釘、注入適量潤滑油,搖動手柄、直至手柄運動自如為止。
2.工作時手柄應作大角度的往復搖動。在泵進口前應設置濾器,以防臟物進入泵內影響泵的工作效率及使用壽命甚至損壞另部件。
3.泵安裝時應檢查一下設在泵上端蓋內的閥是否處在正確位置,并把泵搖動幾次看有否異常,若發現不正常,可向本廠調換。
4.本系列泵的油封周期六個月。若長期擱置或長期停止使用、由應清洗重新油封。
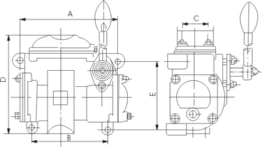
CS型手搖泵外形尺寸安裝圖
|
型 號 |
CS-20 |
CS-25 |
CS-32 |
CS-38 |
|
A |
180 |
205 |
225 |
280 |
|
B |
152 |
180 |
200 |
245 |
|
C |
63 |
70 |
81 |
70 |
|
D |
213 |
220 |
249 |
260 |
|
E |
134 |
150 |
165 |
180 |
CS型手搖泵主要另部件材料
|
另件名稱 |
材 料 |
標 準 |
|
泵 體 |
ZL102 |
GB1173-74 |
|
蓋 |
ZL102 |
GB1173-74 |
|
活 塞 |
ZL102 |
GB1173-74 |
|
水缸套 |
HT20-40 |
GB 976-67 |
|
閥 |
2cr13 |
GB1220-75 |
|
閥 座 |
H62 |
YB 553-71 |
|
軸 |
2cr13 |
GB1220-75 |
|
連桿機構 |
2cr13 |
GB1220-75 |
|
H型水缸套 |
H62 |
YB 553-71 |











