泵的知識 PUMP KNOWLEDGE
行業新聞
您當前位置:網站首頁 >> 泵的知識 >> 詳情內容
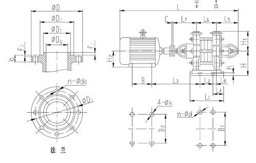
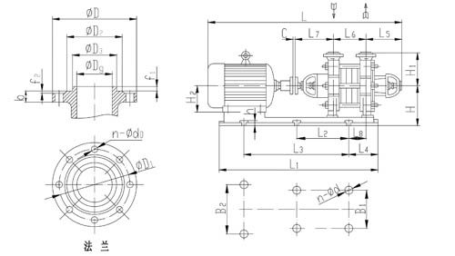
DG臥式多級離心泵安裝尺寸及安裝注意事項
時間:2014/11/10 來源:浙江揚子江泵業有限公司
DG臥式多級離心泵安裝注意事項
本型泵安裝時除滿足一般要求外,還應注意以下幾點:
1)安裝泵的基 平面應用水平 找平。基 水泥凝固后,應檢查底座和地腳螺栓孔是否松動;
2)電機、泵和底座組裝后,應嚴格檢查泵軸和電機軸的同心度,保證兩軸心線在同一水平線上;
3)電機和水泵組裝時,應將泵聯軸器端軸伸向外拉出,保證泵和電機兩聯軸器端面的軸向間隙值;
4)泵的吸入管路和壓出管路應有各自的支架,泵只能承受自身內力,不能承受任何外力,以免將泵壓壞。
DG臥式多級離心泵安裝尺寸(中低壓)

DG臥式多級離心泵安裝尺寸替(中低壓)本身底座

DG臥式多級離心泵安裝尺寸(中低壓)公用底座
DG6-25型泵(公用底座)
|
級數
|
L
|
L1
|
12
|
L3
|
L4
|
L5
|
L6
|
L7
|
L8
|
C
|
B1
|
B2
|
H
|
H1
|
H2
|
h
|
n-φd
|
|
2
|
1047
|
855
|
|
575
|
145
|
240
|
130
|
275
|
85
|
2
|
350
|
350
|
275
|
170
|
100
|
30
|
4-φ24
|
|
3
|
1192
|
965
|
645
|
190
|
180
|
55
|
370
|
370
|
132
|
||||||||
|
4
|
1242
|
230
|
105
|
||||||||||||||
|
5
|
1292
|
280
|
155
|
||||||||||||||
|
6
|
1478
|
1215
|
820
|
230
|
330
|
105
|
360
|
430
|
260
|
160
|
|||||||
|
7
|
1528
|
380
|
155
|
||||||||||||||
|
8
|
1578
|
1430
|
920
|
300
|
430
|
170
|
410
|
480
|
270
|
35
|
|||||||
|
9
|
1628
|
480
|
170
|
||||||||||||||
|
10
|
1723
|
1500
|
990
|
350
|
530
|
170
|
365
|
460
|
280
|
40
|
|||||||
|
11
|
1773
|
580
|
220
|
||||||||||||||
|
12
|
1823
|
630
|
270
|
(二)DG6-50型泵(公用底座)
|
級數
|
1
|
11
|
12
|
13
|
14
|
15
|
16
|
17
|
18
|
C
|
B1
|
B2
|
H
|
H1
|
H2
|
h
|
n-φd
|
|
2
|
1407
|
1170
|
600
|
840
|
190
|
284
|
160
|
343
|
5
|
2
|
480
|
480
|
260
|
215
|
160
|
35
|
4-φ24
|
|
3
|
1467
|
220
|
70
|
||||||||||||||
|
4
|
1572
|
1230
|
845
|
210
|
280
|
140
|
460
|
460
|
|||||||||
|
5
|
1654
|
1310
|
880
|
240
|
340
|
190
|
465
|
465
|
180
|
||||||||
|
6
|
1822
|
1650
|
990
|
415
|
400
|
155
|
445
|
510
|
280
|
200
|
|||||||
|
7
|
1882
|
460
|
215
|
||||||||||||||
|
8
|
1942
|
520
|
275
|
||||||||||||||
|
9
|
2002
|
580
|
335
|
||||||||||||||
|
10
|
2097
|
1750
|
1305
|
220
|
640
|
155
|
|||||||||||
|
11
|
2157
|
700
|
215
|
470
|
545
|
305
|
225
|
||||||||||
|
12
|
2335
|
2000
|
1200
|
400
|
760
|
329
|
460
|
595
|
330
|
250
|
6-φ30
|
DG12-25型泵(公用底座)
|
級數
|
L
|
L1
|
L2
|
L3
|
L4
|
L5
|
L6
|
L7
|
L8
|
C
|
B1
|
B2
|
H
|
H1
|
H2
|
h
|
n-φd
|
|
2
|
1067
|
965
|
|
645
|
190
|
240
|
130
|
275
|
45
|
2
|
370
|
370
|
250
|
170
|
132
|
30
|
4φ24
|
|
3
|
1192
|
180
|
55
|
||||||||||||||
|
4
|
1378
|
1120
|
745
|
205
|
230
|
75
|
360
|
440
|
255
|
160
|
35
|
||||||
|
5
|
1428
|
280
|
125
|
||||||||||||||
|
6
|
1478
|
1215
|
820
|
230
|
330
|
105
|
360
|
430
|
30
|
||||||||
|
7
|
1528
|
380
|
155
|
||||||||||||||
|
8
|
1623
|
1430
|
920
|
300
|
430
|
170
|
410
|
480
|
270
|
35
|
|||||||
|
9
|
1673
|
480
|
170
|
||||||||||||||
|
10
|
1743
|
1490
|
975
|
355
|
530
|
185
|
365
|
470
|
280
|
180
|
30
|
||||||
|
11
|
1793
|
580
|
235
|
||||||||||||||
|
12
|
1952
|
1640
|
965
|
445
|
630
|
365
|
350
|
500
|
350
|
200
|
45
|
DG12-50型泵(公用底座)
|
級數
|
L
|
L1
|
L2
|
L3
|
L4
|
15
|
16
|
17
|
18
|
C
|
B1
|
B2
|
H
|
H1
|
H2
|
h
|
n-φd
|
|
2
|
1412
|
1230
|
|
845
|
210
|
284
|
160
|
345
|
15
|
5
|
460
|
460
|
260
|
215
|
160
|
30
|
4-φ24
|
|
3
|
1517
|
220
|
75
|
||||||||||||||
|
4
|
1597
|
1310
|
880
|
240
|
280
|
130
|
460
|
465
|
180
|
||||||||
|
5
|
1762
|
1650
|
990
|
415
|
340
|
120
|
445
|
510
|
280
|
200
|
35
|
||||||
|
6
|
1822
|
400
|
185
|
||||||||||||||
|
7
|
1882
|
460
|
245
|
||||||||||||||
|
8
|
1982
|
1750
|
1305
|
220
|
520
|
-5
|
470
|
545
|
315
|
225
|
|||||||
|
9
|
2042
|
580
|
55
|
||||||||||||||
|
10
|
2204
|
1870
|
500
|
1200
|
420
|
640
|
288
|
460
|
595
|
330
|
250
|
6-φ30
|
|||||
|
11
|
2264
|
700
|
348
|
||||||||||||||
|
12
|
2407
|
2000
|
600
|
1300
|
400
|
760
|
329
|
645
|
360
|
280
|
DG25-30型泵(公用底座)
|
級數
|
L
|
L1
|
L2
|
L3
|
L4
|
L5
|
L6
|
L7
|
L8
|
C
|
B1
|
B2
|
H
|
H1
|
H2
|
h
|
n-φd
|
|
2
|
1416
|
1170
|
|
840
|
190
|
285
|
165
|
345
|
5
|
5
|
480
|
480
|
260
|
210
|
160
|
35
|
|
|
3
|
1481
|
230
|
70
|
||||||||||||||
|
4
|
1591
|
1230
|
845
|
210
|
295
|
140
|
460
|
460
|
|||||||||
|
5
|
1680
|
1310
|
880
|
240
|
360
|
190
|
465
|
465
|
180
|
30
|
|||||||
|
6
|
1850
|
1440
|
930
|
310
|
425
|
210
|
510
|
280
|
200
|
35
|
4-φ24
|
||||||
|
7
|
1915
|
1650
|
990
|
415
|
490
|
245
|
445
|
510
|
|||||||||
|
8
|
1980
|
555
|
310
|
||||||||||||||
|
9
|
2045
|
620
|
375
|
||||||||||||||
|
10
|
2150
|
1750
|
1305
|
220
|
685
|
155
|
470
|
545
|
315
|
225
|
DG25-50型泵(公用底座)
|
級數
|
L
|
L1
|
L2
|
L3
|
L4
|
L5
|
L6
|
L7
|
L8
|
C
|
B1
|
B2
|
H
|
H1
|
H2
|
h
|
n-φd
|
|
3
|
1637
|
1240
|
|
665
|
280
|
355
|
250
|
345
|
175
|
2
|
500
|
500
|
360
|
270
|
180
|
40
|
4-φ24
|
|
4
|
1802
|
1430
|
900
|
250
|
310
|
100
|
520
|
520
|
320
|
200
|
45
|
||||||
|
5
|
1862
|
370
|
160
|
||||||||||||||
|
6
|
1962
|
1560
|
530
|
1060
|
235
|
430
|
165
|
560
|
560
|
365
|
225
|
40
|
6-φ24
|
||||
|
7
|
2137
|
1740
|
555
|
1120
|
360
|
490
|
125
|
530
|
600
|
350
|
250
|
||||||
|
8
|
2267
|
2040
|
725
|
1470
|
380
|
550
|
120
|
500
|
720
|
430
|
280
|
||||||
|
9
|
2327
|
610
|
110
|
||||||||||||||
|
10
|
2387
|
670
|
170
|
||||||||||||||
|
11
|
2497
|
730
|
230
|
||||||||||||||
|
12
|
2753
|
2200
|
745
|
1490
|
370
|
790
|
270
|
510
|
730
|
440
|
315
|
50
|
DG46-30型泵(公用底座)
|
級數
|
L
|
L1
|
L2
|
L3
|
L4
|
L5
|
L6
|
L7
|
L8
|
C
|
B1
|
B2
|
H
|
H1
|
H2
|
h
|
n-φd
|
|
2
|
1416
|
1170
|
|
840
|
190
|
285
|
165
|
345
|
5
|
5
|
485
|
485
|
260
|
210
|
160
|
40
|
4-φ24
|
|
3
|
1546
|
140
|
230
|
130
|
180
|
||||||||||||
|
4
|
1720
|
1440
|
930
|
310
|
295
|
140
|
465
|
510
|
280
|
200
|
30
|
||||||
|
5
|
1785
|
360
|
190
|
||||||||||||||
|
6
|
1850
|
425
|
210
|
||||||||||||||
|
7
|
1955
|
1560
|
1110
|
230
|
490
|
50
|
460
|
540
|
315
|
225
|
35
|
||||||
|
8
|
2135
|
1750
|
1120
|
390
|
555
|
260
|
480
|
610
|
330
|
250
|
30
|
||||||
|
9
|
2200
|
620
|
325
|
||||||||||||||
|
10
|
2335
|
1910
|
1240
|
410
|
685
|
340
|
470
|
660
|
360
|
208
|
DG46-50型泵(公用底座)
|
級數
|
L
|
L1
|
L2
|
L3
|
L4
|
L5
|
L6
|
L7
|
L8
|
C
|
B1
|
B2
|
H
|
H1
|
H2
|
h
|
n-φd
|
|
2
|
1682
|
1430
|
|
900
|
250
|
355
|
190
|
345
|
-15
|
2
|
520
|
520
|
320
|
270
|
200
|
45
|
4-φ24
|
|
3
|
1742
|
250
|
45
|
||||||||||||||
|
4
|
1842
|
1560
|
530
|
1060
|
235
|
310
|
0
|
560
|
560
|
365
|
225
|
40
|
6-φ24
|
||||
|
5
|
2017
|
1740
|
555
|
1115
|
360
|
370
|
100
|
530
|
600
|
350
|
250
|
||||||
|
6
|
2147
|
2040
|
725
|
1470
|
380
|
430
|
-30
|
500
|
720
|
430
|
280
|
||||||
|
7
|
2257
|
490
|
60
|
||||||||||||||
|
8
|
2317
|
550
|
120
|
||||||||||||||
|
9
|
2573
|
2200
|
745
|
1490
|
307
|
610
|
110
|
510
|
730
|
440
|
315
|
50
|
|||||
|
10
|
2703
|
670
|
170
|
||||||||||||||
|
11
|
2763
|
730
|
230
|
||||||||||||||
|
12
|
2823
|
790
|
270
|
DG85-45型泵(公用底座)DG85-45型泵(本身底座)
|
級數
|
L
|
L1
|
L2
|
L3
|
L4
|
L5
|
L6
|
L7
|
L8
|
C
|
B
|
B1<, /DIV>
|
B2
|
H
|
H1
|
H2
|
h
|
n-φd
|
4-φK
|
|
4
|
2014
|
600
|
330
|
707
|
135
|
304
|
351
|
340
|
3
|
4
|
368
|
520
|
460
|
345
|
250
|
280
|
40
|
4-φ24
|
φ24
|
|
5
|
2137
|
750
|
380
|
694
|
190
|
425
|
40
|
419
|
535
|
535
|
|||||||||
|
6
|
2408
|
785
|
499
|
53
|
406
|
315
|
φ28
|
||||||||||||
|
7
|
2552
|
821
|
573
|
90
|
457
|
||||||||||||||
|
8
|
2626
|
900
|
525
|
797
|
647
|
61
|
510
|
510
|
4-φ26
|
||||||||||
|
9
|
2700
|
816
|
721
|
98
|
DG85-67型泵(本身底座)
|
級數
|
L
|
L1
|
L2
|
L3
|
L4
|
L5
|
L6
|
L7
|
L8
|
C
|
B
|
B1
|
B2
|
H
|
H1
|
H2
|
h
|
n-φd
|
4-φK
|
|
3
|
2465
|
765
|
400
|
880.5
|
182
|
479
|
371
|
559
|
-14
|
4
|
419
|
600
|
457
|
|
|
280
|
50
|
|
φ24
|
|
4
|
2743
|
950.5
|
459
|
29.5
|
406
|
508
|
|
|
|||||||||||
|
5
|
2901
|
994.5
|
547
|
73.5
|
457
|
60
|
|||||||||||||
|
6
|
2989
|
945
|
580
|
948.5
|
635
|
27.5
|
420
|
350
|
315
|
|
4-φ30
|
||||||||
|
7
|
3007
|
992.5
|
723
|
71.5
|
50
|
φ28
|
|||||||||||||
|
8
|
3395
|
1125
|
760
|
946.5
|
811
|
25.5
|
560
|
|
|
|
|||||||||
|
9
|
3483
|
990.5
|
899
|
69.5
|
610
|
355
|
60
|
DG120-50型泵(公用底座)
|
級數
|
L
|
L1
|
L2
|
L3
|
L4
|
L5
|
L6
|
L7
|
L8
|
C
|
B1
|
B2
|
H
|
H1
|
H2
|
h
|
n-φd
|
|
2
|
1912
|
1430
|
|
900
|
265
|
304
|
260.5
|
353.5
|
202
|
4
|
595
|
595
|
355
|
300
|
250
|
50
|
4-φ28
|
|
3
|
2119
|
1635
|
1000
|
300
|
347.5
|
237
|
545
|
650
|
385
|
280
|
|||||||
|
4
|
2466
|
1895
|
1200
|
434.5
|
|
735
|
435
|
315
|
6-φ40
|
||||||||
|
5
|
2253
|
500
|
521.5
|
||||||||||||||
|
6
|
2640
|
2210
|
550
|
|
400
|
608.5
|
337
|
750
|
|||||||||
|
7
|
2727
|
1350
|
695.5
|
550
|
|||||||||||||
|
8
|
2814
|
782.5
|
|||||||||||||||
|
9
|
2901
|
2370
|
800
|
1600
|
869.5
|
860
|
485
|
355
|
DG155-67型泵(本身底座)
|
級數
|
L
|
L1
|
L2
|
L3
|
L4
|
L5
|
L6
|
L7
|
L8
|
C
|
B
|
B1
|
B2
|
H
|
H1
|
H2
|
h
|
mφd
|
4-φK
|
|
3
|
2725
|
765
|
400
|
906.5
|
182
|
479
|
371
|
559
|
-14
|
4
|
|
600
|
508
|
420
|
350
|
315
|
50
|
4-φ30
|
φ28
|
|
4
|
2743
|
950.5
|
459
|
29.5
|
457
|
||||||||||||||
|
5
|
3131
|
995.5
|
547
|
73.5
|
560
|
610
|
355
|
||||||||||||
|
6
|
3219
|
945
|
580
|
987.5
|
635
|
27.5
|
|
||||||||||||
|
7
|
3308
|
1031
|
723
|
71.5
|
5
|
630
|
|||||||||||||
|
8
|
3295
|
1125
|
760
|
985.5
|
811
|
25.5
|
|||||||||||||
|
9
|
4634
|
1095
|
899
|
69.5
|
1000
|
710
|
400
|
φ32
|
DG臥式多級離心泵(次高壓)安裝尺寸


|
泵型號
|
L1
|
L2
|
L3
|
L4
|
|
D0150-1006
|
2005
|
795
|
1085
|
1185
|
|
DG150-1007
|
2110
|
900
|
1190
|
1290
|
|
DG150-1008
|
2215
|
1005
|
1295
|
1395
|
|
DG150-1009
|
2320
|
1110
|
1400
|
1500
|
|
DG150-10010
|
2425
|
1215
|
1505
|
1605
|
|
泵型號
|
泵部分
|
泵部分
|
||||||||||||||||||
|
L
|
L1
|
L2
|
L3
|
L4
|
L5
|
L16
|
1/
|
H
|
11
|
12
|
13
|
14
|
b1
|
b2
|
b3
|
h
|
h1
|
k1
|
k2
|
|
|
DG25-80×6
|
2480
|
1426
|
536
|
439
|
432
|
1032
|
532
|
4
|
870
|
1050
|
419
|
560
|
330
|
457
|
550
|
580
|
640
|
280
|
24
|
30
|
|
DG25-80×7
|
2559
|
1505
|
615
|
|||||||||||||||||
|
DG25-80×8
|
2828
|
1584
|
694
|
590
|
1190
|
1240
|
406
|
550
|
356
|
508
|
744
|
645
|
865
|
315
|
28
|
40
|
||||
|
DG25-80×9
|
2977
|
1663
|
773
|
1310
|
457
|
600
|
||||||||||||||
|
DG25-80×10
|
3056
|
1742
|
852
|
827
|
1427
|
|||||||||||||||
|
DG25-80×11
|
3135
|
1821
|
931
|
508
|
650
|
|||||||||||||||
|
DG25-80×12
|
3214
|
1900
|
1010
|
|||||||||||||||||
|
DG45-80×6
|
2740
|
1426
|
536
|
439
|
432
|
1032
|
||||||||||||||
|
DG45-80×7
|
2819
|
1505
|
615
|
|||||||||||||||||
|
DG45-80×8
|
2898
|
1584
|
694
|
590
|
1190
|
|||||||||||||||
|
DG45-80×9
|
3537
|
1663
|
773
|
1870
|
900
|
1420
|
485
|
630
|
770
|
800
|
1170
|
355
|
||||||||
|
DG45-80×10
|
3616
|
1742
|
852
|
827
|
1427
|
|||||||||||||||
|
DG45-80×11
|
3695
|
1821
|
931
|
|||||||||||||||||
|
DG45-80×12
|
3774
|
1900
|
1010
|
|||||||||||||||||
|
DG85-80×7
|
3575
|
1700
|
630
|
432
|
590
|
1032
|
643
|
5
|
880
|
1870
|
900
|
1510
|
||||||||
|
DG85-80×8
|
3655
|
1780
|
710
|
543
|
1190
|
|||||||||||||||
|
DG85-80×9
|
3735
|
1860
|
790
|
|||||||||||||||||
|
DG85-80×10
|
3815
|
1940
|
870
|
827
|
1427
|
|||||||||||||||
|
DG85-80×11
|
3895
|
2020
|
950
|
|||||||||||||||||
|
DG85-80×12
|
3975
|
2100
|
1030
|
2090
|
1000
|
1510
|
545
|
710
|
810
|
850
|
1330
|
400
|
35
|
|||||||
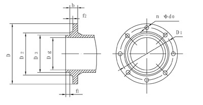
DG臥式多級離心泵法蘭尺寸

|
泵型號
|
進口法蘭
|
出口法蘭
|
||||||||||||||
|
Dg
|
D
|
D1
|
D2
|
D3
|
b
|
f1/f2
|
n-φd0
|
Dg
|
D
|
01
|
D2
|
D3
|
b
|
f1/f2
|
n-φd0
|
|
|
DG6-25
|
40
|
130
|
100
|
80
|
|
16
|
-/3
|
4-13.5
|
40
|
150
|
110
|
88
|
75
|
20
|
4/3
|
4-17.5
|
|
DG6-50
|
50
|
160
|
110
|
90
|
|
30
|
/3
|
4-13.5
|
50
|
175
|
135
|
105
|
87
|
28
|
4/3
|
4-23
|
|
DG12-25
|
50
|
140
|
110
|
90
|
|
16
|
-/3
|
4-13.5
|
40
|
150
|
110
|
88
|
75
|
20
|
4/3
|
4-17.5
|
|
DG12-50
|
50
|
160
|
110
|
90
|
|
30
|
-/3
|
4-13.5
|
50
|
175
|
135
|
105
|
87
|
28
|
4/3
|
4-23
|
|
DG25-30
|
65
|
160
|
130
|
110
|
|
16
|
-/3
|
4-13.5
|
65
|
185
|
145
|
122
|
109
|
24
|
4/3
|
8-17.5
|
|
DG25-50
|
80
|
215
|
170
|
133
|
120
|
30
|
4/3
|
8-22
|
80
|
215
|
170
|
133
|
120
|
30
|
4/3
|
8-22
|
|
DG46-30
|
80
|
190
|
150
|
128
|
|
18
|
4/3
|
4-17.5
|
65
|
185
|
145
|
122
|
109
|
24
|
4/3
|
8-17.5
|
|
DG46-50
|
80
|
215
|
170
|
133
|
120
|
30
|
4/3
|
8-22
|
80
|
215
|
170
|
133
|
120
|
30
|
4/3
|
8-22
|
|
DG85-45
|
100
|
210
|
170
|
148
|
|
18
|
-/3
|
4-17.5
|
100
|
235
|
190
|
158
|
149
|
28
|
4.5/3
|
8-22
|
|
DG85-67
|
150
|
345
|
280
|
212
|
203
|
33
|
4.5/3
|
8-33
|
150
|
345
|
280
|
212
|
203
|
33
|
4.5/3
|
8-33
|
|
DG120-50
|
125
|
240
|
200
|
178
|
|
20
|
4.5/3
|
8-17.5
|
125
|
270
|
220
|
184
|
175
|
30
|
4.5/3
|
8-26
|
|
DG155-30
|
150
|
285
|
240
|
212
|
|
26
|
4.5/3
|
8-22
|
150
|
300
|
250
|
212
|
203
|
34
|
4.5/3
|
8--26
|
|
DG155-67
|
150
|
345
|
280
|
212
|
203
|
33
|
4.5/3
|
8-33
|
150
|
345
|
280
|
212
|
203
|
33
|
4.5/3
|
8-33
|
|
DG25-80
|
80
|
195
|
160
|
135
|
|
25
|
-/3
|
8-18
|
65
|
220
|
170
|
138
|
109
|
28
|
4/3
|
8-25
|
|
DG45-80
|
80
|
195
|
160
|
135
|
|
25
|
-/3
|
8-18
|
65
|
265
|
170
|
138
|
109
|
28
|
4.5/3
|
8-25
|
|
DG85-80
|
100
|
215
|
180
|
155
|
|
25
|
-/3
|
8-18
|
100
|
350
|
210
|
172
|
149
|
34
|
4.5/3
|
8-30
|
|
DG150-100
|
200
|
360
|
310
|
278
|
|
34
|
-/3
|
12-23
|
150
|
350
|
290
|
250
|
203
|
46
|
4.5/3
|
12-34
|
感謝您訪問我們揚子江泵業的網站m.110telecom.com,如有任何水泵疑問我們一定會盡心盡力為您提供優質的服務。
- 下一篇:齒輪油泵的選型方法及九大注意事項
- 上一篇:高爾夫球場灌溉系統泵站水泵選用











