Y2系列三相異步電動機
一、概述
Y2系列電動機是Y系列電機的更新換代產品,是一般用途的全封閉自扇冷式鼠籠型三相異步電動機它是我國九十年代新產品。其整體水平已達到國外同類產品九十年代初的水平。該產品應用于國民經濟各個領域,如機床、水泵、風機、壓縮機,也可適用于運輸、攪拌、印刷、農機、食品等各類不含易燃、易爆或腐蝕性氣體的場合。
Y2系列電機的安裝尺寸和功率等級符合IEC標準,與德國DIN42673標準一致,也與Y系列電機一樣,其外殼防護等級為IP54,冷卻方法為IC41l,連續工作制(S1)。采用F級絕緣,溫升按B級考核(除315L2-2、4,355全部規格按F級考核外),并要求考核負載噪聲指標。
Y2系列電動機額定電壓為380V,額定頻率為50Hz。功率3kwt以下為Y接法,其他功率均為△接法。電動機運行地點的海拔不超過1000m;環境空氣溫度隨季節變化,但不超過40℃;低環境空氣溫度為-15℃;濕月月平均高相對濕度為90%;同時該月月平均低溫度不高于25℃。
二、型號含義
Y2系列電動機有兩種設計,一種是適用于一般機械配套和出口需要,在輕載時有較高效率,在實際運行中有較佳節能效果,且具有較高堵轉轉矩,此設計稱為Y2-Y系列。中心高63~355mm,功率從0.12~315kW。電動機符合JB/T8680.1-1998 Y2系列(1P54)三相異步電動機(機座號63~355)技術條件。
型號含義:如Y2-200L1-2Y:“Y2”表示異步電動機第二次改型設計,“200”表示中心高,“L”表示機座長短號,“1”表示鐵心長度序號,“2”表示極數,“Y”表示第一種設計(可省略)。
第2種設計是滿載時有較高效率,更適用于長期運行和負載率較高的使用場合,如水泵、風機配套,此設計稱為Y2-E系列,中心高80~280mm,功率從0.55~90kW。電動機符合JB/T8680.2-1998 Y2系列(1P54)三相異步電動機(機座號80~280)技術條件。
型號含義:如Y2-200L2-6E:“Y2”表示異步電動機第二次改型設計,“200”表示中心高,“L”表示機座長短號,“2”表示鐵心長度序號,“6”表示極數,“E”表示第二種設計。
三、結構簡介
1.Y2系列電動機機座外輪廓呈四方形兼圓形,散熱片呈垂直,水平平行分布,全部采用鑄鐵結構。另外H63~112還兼有鋁合金壓鑄結構。
2.本系列電動機采用淺端蓋結構,增加了內部加強筋的數量和尺寸,全部采用鑄鐵結構,另外H63~112還兼有鋁合金壓鑄結構。為方便用戶使用和檢修,H180及以上增設了不停機的注油裝置。
3.接線盒防護等級為IP55。為了減輕電機重量,H63~280接線盒用鋁合金壓鑄(也可用鑄鐵件),H315~355使用鑄鐵件。且盒內設有專用的接地裝置,H160及以上機座考慮有熱保護裝置的安裝位置,電源進線孔采用雙孔進線,并有兩種密封結構:一種為加密封蓋,另一種為鎖緊密封。接線盒一般位于機座頂部,并可以四面出線,另外H80~355鑄鐵機座的接線盒還可以位于機座側面。
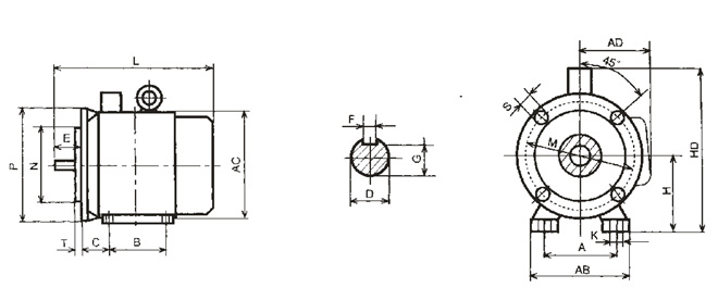
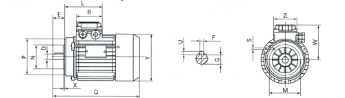
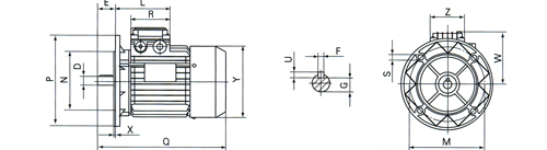
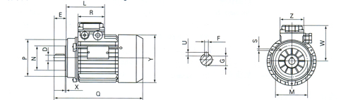
三相異步電動機Y2系列外形尺寸圖
三相異步電動機Y2系列技術數據表

|
|
| 型號 |
功率(W) |
電流(A) |
電壓(V) |
頻率(Hz) |
轉速(r/min) |
效率(%) |
功率因數cosΦ |
起動轉矩/額定轉矩 (倍) |
起動電流/額定電流(倍) |
大轉矩/額定轉矩 (倍) |
| Y2-631-2 |
180 |
0.53/0.91 |
380/220 |
50 |
2800 |
69 |
0.75 |
2.3 |
6.0 |
2.4 |
| Y2-632-2 |
250 |
0.67/1.16 |
380/220 |
50 |
2800 |
72 |
0.78 |
2.3 |
6.0 |
2.4 |
| Y2-631-4 |
120 |
0.48/0.83 |
380/220 |
50 |
1400 |
60 |
0.63 |
2.4 |
6.0 |
2.4 |
| Y2-632-4 |
180 |
0.65/1.12 |
380/220 |
50 |
1400 |
64 |
0.66 |
2.4 |
6.0 |
2.4 |
| Y2-711-2 |
370 |
0.95/1.65 |
380/220 |
50 |
2800 |
73.5 |
0.80 |
2.3 |
6.0 |
2.4 |
| Y2-712-2 |
550 |
1.35/2.33 |
380/220 |
50 |
2800 |
75.5 |
0.82 |
2.3 |
6.0 |
2.4 |
| Y2-711-4 |
250 |
0.83/1.44 |
380/220 |
50 |
1400 |
67 |
0.68 |
2.4 |
6.0 |
2.4 |
| Y2-712-4 |
370 |
1.12/1.94 |
380/220 |
50 |
1400 |
69.5 |
0.72 |
2.4 |
6.0 |
2.4 |
| Y2-711-6 |
180 |
0.88/1.52 |
380/220 |
50 |
910 |
59 |
0.63 |
2.0 |
5.5 |
2.0 |
| Y2-712-6 |
250 |
1.13/1.96 |
380/220 |
50 |
910 |
63 |
0.64 |
2.0 |
5.5 |
2.0 |
| Y2-801-2 |
750 |
1.8/3.1 |
380/220 |
50 |
2800 |
76.5 |
0.85 |
2.2 |
6.0 |
2.4 |
| Y2-802-2 |
1100 |
2.25/4.42 |
380/220 |
50 |
2800 |
77 |
0.85 |
2.2 |
6.0 |
2.4 |
| Y2-801-4 |
550 |
1.6/2.77 |
380/220 |
50 |
1400 |
73.5 |
0.73 |
2.4 |
6.0 |
2.4 |
| Y2-802-4 |
750 |
2/3.5 |
380/220 |
50 |
1400 |
75.5 |
0.75 |
2.4 |
6.0 |
2.4 |
| Y2-801-6 |
370 |
1.29/2.23 |
380/220 |
50 |
910 |
68 |
0.64 |
2.0 |
5.5 |
2.0 |
| Y2-802-6 |
550 |
1.81/3.14 |
380/220 |
50 |
910 |
71 |
0.65 |
2.0 |
5.5 |
2.0 |
| Y2-801-8 |
180 |
0.86/1.49 |
380/220 |
50 |
700 |
58 |
0.55 |
1.8 |
4.5 |
1.9 |
| Y2-802-8 |
250 |
1.1/1.91 |
380/220 |
50 |
700 |
62 |
0.56 |
1.8 |
4.5 |
1.9 |
| Y2-90S-2 |
2200 |
4.83/8.36 |
380/220 |
50 |
2820 |
78 |
0.85 |
2.2 |
7.0 |
2.4 |
| Y2-90L-2 |
2200 |
4.83/8.36 |
380/220 |
50 |
2820 |
80.5 |
0.86 |
2.2 |
7.0 |
2.4 |
| Y2-90S-4 |
1100 |
2.75/4.76 |
380/220 |
50 |
1400 |
78 |
0.78 |
2.3 |
6.5 |
2.4 |
| Y2-90L-4 |
1500 |
3.65/6.32 |
380/220 |
50 |
1400 |
79 |
0.79 |
2.3 |
6.5 |
2.4 |
| Y2-90S-6 |
750 |
2.26/3.92 |
380/220 |
50 |
910 |
73 |
0.69 |
2.0 |
5.5 |
2.1 |
| Y2-90L-6 |
1100 |
3.2/5.5 |
380/220 |
50 |
910 |
74 |
0.71 |
2.0 |
6.0 |
2.1 |
| Y2-90S-8 |
370 |
1.4/2.4 |
380/220 |
50 |
700 |
68 |
0.60 |
1.8 |
4.5 |
1.9 |
| Y2-90L-8 |
550 |
1.95/3.38 |
380/220 |
50 |
700 |
69 |
0.62 |
1.8 |
4.5 |
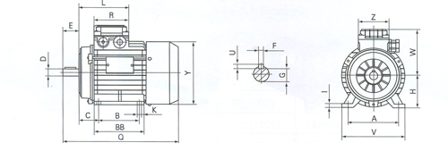
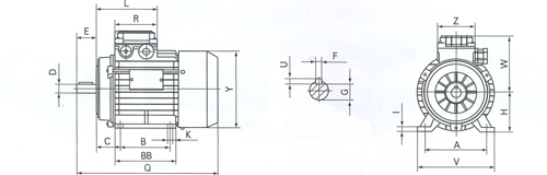
1.9 | 底腳安裝 IMB3 foot mounting IMB3

|
-B3- |
A |
B |
C |
D |
E |
F |
G |
H |
I |
U |
V |
W |
Y |
BB |
L |
R |
Z |
K |
Q |
|
Y2L50 |
80 |
63 |
33 |
9 |
20 |
3 |
7.2 |
50 |
7 |
3 |
100 |
76 |
99 |
73 |
98 |
70 |
65 |
5.8 |
170 |
|
Y2L56 |
90 |
71 |
35 |
9 |
20 |
3 |
7.2 |
56 |
8 |
3 |
110 |
93 |
117 |
87 |
99 |
70 |
65 |
5.8 |
195 |
|
Y2L63 |
100 |
80 |
40 |
11 |
23 |
4 |
8.5 |
63 |
9 |
4 |
123 |
95 |
2122 |
104 |
102 |
70 |
65 |
7 |
222 |
|
Y2L71 |
112 |
90 |
45 |
14 |
30 |
5 |
11 |
71 |
10 |
5 |
136 |
108 |
137 |
113 |
114 |
80 |
75 |
8 |
245 |
|
Y2L80 |
125 |
100 |
50 |
19 |
40 |
6 |
15.5 |
80 |
10 |
6 |
154 |
118 |
156 |
125 |
118 |
80 |
75 |
10 |
283 |
|
Y2L90L |
140 |
125 |
56 |
24 |
50 |
8 |
20 |
90 |
12 |
7 |
180 |
128 |
169 |
155 |
134 |
98.5 |
98.5 |
10 |
336 |
|
Y2L90S |
140 |
100 |
56 |
24 |
50 |
8 |
20 |
90 |
12 |
7 |
18 |
0128 |
16 |
915 |
134 |
98.5 |
98.5 |
10 |
336 |
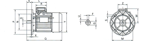
法蘭安裝 IMB5 flange mounting IMB5
|
-B5- |
D |
E |
F |
G |
M |
N |
P |
U |
S |
W |
X |
Y |
L |
R |
Z |
Q |
|
Y2L56 |
9 |
20 |
3 |
7.2 |
100 |
80 |
120 |
3 |
7 |
93 |
2.5 |
117 |
100 |
70 |
65 |
197 |
|
Y2L63 |
11 |
23 |
4 |
8.5 |
115 |
95 |
140 |
4 |
9.5 |
95 |
3 |
122 |
104 |
70 |
65 |
224 |
|
Y2L71 |
14 |
30 |
5 |
11 |
13 |
0110 |
160 |
5 |
10 |
108 |
3.5 |
137 |
108 |
80 |
75 |
239 |
|
Y2L80 |
19 |
40 |
6 |
15.5 |
165 |
130 |
200 |
6 |
12 |
118 |
3.5 |
156 |
114 |
80 |
75 |
278 |
|
Y2L90 |
24 |
50 |
8 |
20 |
165 |
130 |
200 |
7 |
12 |
128 |
3.5 |
169 |
135 |
98.5 |
98.5 |
336 |
|
-14- |
D |
E |
F |
G |
M |
N |
P |
s |
u |
W |
X |
Y |
L |
R |
Z |
Q |
|
Y2L50 |
9 |
20 |
3 |
7.2 |
55 |
40 |
70 |
M5 |
3 |
76 |
2.5 |
99 |
98 |
70 |
65 |
170 |
|
Y2L56 |
9 |
20 |
3 |
7.2 |
65 |
50 |
80 |
M5 |
3 |
93 |
2.5 |
117 |
100 |
70 |
65 |
197 |
|
Y2L63 |
11 |
23 |
4 |
8.5 |
75 |
60 |
90 |
M5 |
4 |
95 |
3 |
122 |
102 |
70 |
65 |
224 |
|
Y2L71 |
14 |
30 |
5 |
11 |
85 |
70 |
105 |
M5 |
5 |
108 |
3.5 |
137 |
114 |
80 |
75 |
239 |
|
Y2L80 |
19 |
40 |
6 |
15.5 |
100 |
80 |
120 |
M5 |
6 |
118 |
3.5 |
156 |
118 |
80 |
75 |
278 |
|
Y2L90 |
24 |
50 |
8 |
20 |
115 |
95 |
138 |
M5 |
7 |
128 |
3.5 |
169 |
135 |
98.5 |
98.5 |
336 | |
|
|
| 型號 |
功率(W) |
電流(A) |
電壓(V) |
頻率(Hz) |
轉速(r/min) |
效率(%) |
功率因數cosΦ |
起動轉矩/額定轉矩 (倍) |
起動電流/額定電流(倍) |
大轉矩/額定轉矩 (倍) |
| Y2-631-2 |
180 |
0.53/0.91 |
380/220 |
50 |
2800 |
69 |
0.75 |
2.3 |
6.0 |
2.4 |
| Y2-632-2 |
250 |
0.67/1.16 |
380/220 |
50 |
2800 |
72 |
0.78 |
2.3 |
6.0 |
2.4 |
| Y2-631-4 |
120 |
0.48/0.83 |
380/220 |
50 |
1400 |
60 |
0.63 |
2.4 |
6.0 |
2.4 |
| Y2-632-4 |
180 |
0.65/1.12 |
380/220 |
50 |
1400 |
64 |
0.66 |
2.4 |
6.0 |
2.4 |
| Y2-711-2 |
370 |
0.95/1.65 |
380/220 |
50 |
2800 |
73.5 |
0.80 |
2.3 |
6.0 |
2.4 |
| Y2-712-2 |
550 |
1.35/2.33 |
380/220 |
50 |
2800 |
75.5 |
0.82 |
2.3 |
6.0 |
2.4 |
| Y2-711-4 |
250 |
0.83/1.44 |
380/220 |
50 |
1400 |
67 |
0.68 |
2.4 |
6.0 |
2.4 |
| Y2-712-4 |
370 |
1.12/1.94 |
380/220 |
50 |
1400 |
69.5 |
0.72 |
2.4 |
6.0 |
2.4 |
| Y2-711-6 |
180 |
0.88/1.52 |
380/220 |
50 |
910 |
59 |
0.63 |
2.0 |
5.5 |
2.0 |
| Y2-712-6 |
250 |
1.13/1.96 |
380/220 |
50 |
910 |
63 |
0.64 |
2.0 |
5.5 |
2.0 |
| Y2-801-2 |
750 |
1.8/3.1 |
380/220 |
50 |
2800 |
76.5 |
0.85 |
2.2 |
6.0 |
2.4 |
| Y2-802-2 |
1100 |
2.25/4.42 |
380/220 |
50 |
2800 |
77 |
0.85 |
2.2 |
6.0 |
2.4 |
| Y2-801-4 |
550 |
1.6/2.77 |
380/220 |
50 |
1400 |
73.5 |
0.73 |
2.4 |
6.0 |
2.4 |
| Y2-802-4 |
750 |
2/3.5 |
380/220 |
50 |
1400 |
75.5 |
0.75 |
2.4 |
6.0 |
2.4 |
| Y2-801-6 |
370 |
1.29/2.23 |
380/220 |
50 |
910 |
68 |
0.64 |
2.0 |
5.5 |
2.0 |
| Y2-802-6 |
550 |
1.81/3.14 |
380/220 |
50 |
910 |
71 |
0.65 |
2.0 |
5.5 |
2.0 |
| Y2-801-8 |
180 |
0.86/1.49 |
380/220 |
50 |
700 |
58 |
0.55 |
1.8 |
4.5 |
1.9 |
| Y2-802-8 |
250 |
1.1/1.91 |
380/220 |
50 |
700 |
62 |
0.56 |
1.8 |
4.5 |
1.9 |
| Y2-90S-2 |
2200 |
4.83/8.36 |
380/220 |
50 |
2820 |
78 |
0.85 |
2.2 |
7.0 |
2.4 |
| Y2-90L-2 |
2200 |
4.83/8.36 |
380/220 |
50 |
2820 |
80.5 |
0.86 |
2.2 |
7.0 |
2.4 |
| Y2-90S-4 |
1100 |
2.75/4.76 |
380/220 |
50 |
1400 |
78 |
0.78 |
2.3 |
6.5 |
2.4 |
| Y2-90L-4 |
1500 |
3.65/6.32 |
380/220 |
50 |
1400 |
79 |
0.79 |
2.3 |
6.5 |
2.4 |
| Y2-90S-6 |
750 |
2.26/3.92 |
380/220 |
50 |
910 |
73 |
0.69 |
2.0 |
5.5 |
2.1 |
| Y2-90L-6 |
1100 |
3.2/5.5 |
380/220 |
50 |
910 |
74 |
0.71 |
2.0 |
6.0 |
2.1 |
| Y2-90S-8 |
370 |
1.4/2.4 |
380/220 |
50 |
700 |
68 |
0.60 |
1.8 |
4.5 |
1.9 |
| Y2-90L-8 |
550 |
1.95/3.38 |
380/220 |
50 |
700 |
69 |
0.62 |
1.8 |
4.5 |
1.9 | 底腳安裝 IMB3 foot mounting IMB3

|
-B3- |
A |
B |
C |
D |
E |
F |
G |
H |
I |
U |
V |
W |
Y |
BB |
L |
R |
Z |
K |
Q |
|
Y2L50 |
80 |
63 |
33 |
9 |
20 |
3 |
7.2 |
50 |
7 |
3 |
100 |
76 |
99 |
73 |
98 |
70 |
65 |
5.8 |
170 |
|
Y2L56 |
90 |
71 |
35 |
9 |
20 |
3 |
7.2 |
56 |
8 |
3 |
110 |
93 |
117 |
87 |
99 |
70 |
65 |
5.8 |
195 |
|
Y2L63 |
100 |
80 |
40 |
11 |
23 |
4 |
8.5 |
63 |
9 |
4 |
123 |
95 |
2122 |
104 |
102 |
70 |
65 |
7 |
222 |
|
Y2L71 |
112 |
90 |
45 |
14 |
30 |
5 |
11 |
71 |
10 |
5 |
136 |
108 |
137 |
113 |
114 |
80 |
75 |
8 |
245 |
|
Y2L80 |
125 |
100 |
50 |
19 |
40 |
6 |
15.5 |
80 |
10 |
6 |
154 |
118 |
156 |
125 |
118 |
80 |
75 |
10 |
283 |
|
Y2L90L |
140 |
125 |
56 |
24 |
50 |
8 |
20 |
90 |
12 |
7 |
180 |
128 |
169 |
155 |
134 |
98.5 |
98.5 |
10 |
336 |
|
Y2L90S |
140 |
100 |
56 |
24 |
50 |
8 |
20 |
90 |
12 |
7 |
18 |
0128 |
16 |
915 |
134 |
98.5 |
98.5 |
10 |
336 |
法蘭安裝 IMB5 flange mounting IMB5
|
-B5- |
D |
E |
F |
G |
M |
N |
P |
U |
S |
W |
X |
Y |
L |
R |
Z |
Q |
|
Y2L56 |
9 |
20 |
3 |
7.2 |
100 |
80 |
120 |
3 |
7 |
93 |
2.5 |
117 |
100 |
70 |
65 |
197 |
|
Y2L63 |
11 |
23 |
4 |
8.5 |
115 |
95 |
140 |
4 |
9.5 |
95 |
3 |
122 |
104 |
70 |
65 |
224 |
|
Y2L71 |
14 |
30 |
5 |
11 |
13 |
0110 |
160 |
5 |
10 |
108 |
3.5 |
137 |
108 |
80 |
75 |
239 |
|
Y2L80 |
19 |
40 |
6 |
15.5 |
165 |
130 |
200 |
6 |
12 |
118 |
3.5 |
156 |
114 |
80 |
75 |
278 |
|
Y2L90 |
24 |
50 |
8 |
20 |
165 |
130 |
200 |
7 |
12 |
128 |
3.5 |
169 |
135 |
98.5 |
98.5 |
336 |
|
-14- |
D |
E |
F |
G |
M |
N |
P |
s |
u |
W |
X |
Y |
L |
R |
Z |
Q |
|
Y2L50 |
9 |
20 |
3 |
7.2 |
55 |
40 |
70 |
M5 |
3 |
76 |
2.5 |
99 |
98 |
70 |
65 |
170 |
|
Y2L56 |
9 |
20 |
3 |
7.2 |
65 |
50 |
80 |
M5 |
3 |
93 |
2.5 |
117 |
100 |
70 |
65 |
197 |
|
Y2L63 |
11 |
23 |
4 |
8.5 |
75 |
60 |
90 |
M5 |
4 |
95 |
3 |
122 |
102 |
70 |
65 |
224 |
|
Y2L71 |
14 |
30 |
5 |
11 |
85 |
70 |
105 |
M5 |
5 |
108 |
3.5 |
137 |
114 |
80 |
75 |
239 |
|
Y2L80 |
19 |
40 |
6 |
15.5 |
100 |
80 |
120 |
M5 |
6 |
118 |
3.5 |
156 |
118 |
80 |
75 |
278 |
|
Y2L90 |
24 |
50 |
8 |
20 |
115 |
95 |
138 |
M5 |
7 |
128 |
3.5 |
169 |
135 |
98.5 |
98.5 |
336 | |
感謝您訪問我們揚子江泵業的網站m.110telecom.com,如有任何水泵疑問我們一定會盡心。盡力為您提供優質的服務。